Применение
Марка швеллера 16 предназначена для использования в строительной отрасли. Он используется при возведении зданий и сооружений в сейсмоопасных районах, а также при постоянном вибрационном воздействии во время эксплуатации.
К основным областям применения относятся:
- опорные части рекламных щитов;
- ростверк свайного и свайно-винтового фундамента;
- армирование подземной части строения;
- маршевые и винтовые лестницы;
- каркасные здания.
Используется изделие в качестве несущего, самонесущего и ненесущего элемента в каркасе зданий различного объема.
При необходимости создания наиболее надежного узла сопряжения нескольких балок предусматривается использование 16П. Горячая прокатка обеспечивает прочность и надежность при высокой нагрузке и работе в холодном климате. Основным материалом для производства такого швеллера является сталь с малым содержанием легирующих компонентов (09Г2С).
Вернуться к содержанию
Технические характеристики
Маркировка продукции содержит в себе информацию о геометрических параметрах, типе и марке стали, способе изготовления. Стальные швеллеры различаются:
- толщиной и шириной полки;
- толщиной стенки;
- высотой;
- длиной.
Стальные горячекатаные швеллеры делятся на несколько категорий в зависимости от назначения и бывают:
- обычными (ГОСТ 8240-89);
- специальными для автомобилестроительной отрасли (ГОСТ 19425-74);
- специальными для вагоностроительной промышленности (ГОСТ 5267-90)
По точности изготовления продукция бывает:
- обычной точности, маркируется индексом В;
- повышенной точности с маркировкой Б;
- высокой точности с маркировкой А (для гнутых швеллеров).
Горячекатаный фасонный прокат выпускается длиной от 2 до 12 м, гнутый профиль имеет стандартную длину от 3 до 11,8 м. Высотой швеллера принято называть расстояние между полками с внешней стороны. У горячекатаных металлопрофилей этот показатель варьируется от 50 до 400 мм, гнутый фасонный металлопрокат производится высотой 25-310 мм. В зависимости от номера и вида изделия толщина стенки составляет 2-11,5 мм, а толщина полки находится в диапазоне от 4,8 до 13,5 мм.
Помимо размеров продукция отличается формой и уклоном полок. Гнутый профиль бывает равнополочным и неравополочным. Горячекатаный швеллер изготавливается следующих разновидностей:
- Л — легкая серия изделий с параллельными гранями;
- У — уклон граней составляет не более 10%;
- Э — экономичные с параллельными полками;
- П — с полками, параллельными друг другу;
- С — изделия специального назначения.
Принятыми стандартами контролируются предельные отклонения от нормы по всем параметрам:
- высота полок не должна превышать номинальные размеры более чем на 3 мм;
- допускается расхождение длины изделия с указанными размерами до 100 мм;
- кривизна по вертикали и горизонтали не должна превышать более 0,2% от длины;
- вес отдельного профиля не должен отличаться от нормы более чем на 6%.
Таблицы размеров швеллеров в соответствии с ГОСТом
Швеллер – это довольно популярное изделие металлопроката, производимое из разных сортов стали. Сам термин имеет немецкое происхождение. Основной отличительной чертой профиля является П-образная форма изделия в поперечном сечении.

Изготовление швеллеров осуществляется на специальном оборудовании в соответствии с установленными стандартами качества
Для изготовления швеллеров используется спецоборудование. По способу производства различаются горячекатаные либо гнутые профили. По форме граней полок они могут быть параллельными или иметь определенный уклон внутри. В основе классификации также лежит числовое значение в виде номера возле соответствующей маркировки. Цифры указывают на размер, который определяется расстоянием между гранями полок снаружи.
Изготовление швеллеров, как и другой металлопрокатной продукции, регламентируется соответствующим ГОСТом, где четко прописаны основные требования к тому или иному типу профиля. Все данные наглядно приведены в таблицах. Например, нормативный документ «Швеллеры стальные горячекатаные. Сортамент» (ГОСТ 8240 97) содержит 7 таких развернутых таблиц.
Воспользовавшись соответствующими табличным данными, можно определить качество изделия, соотнеся его реальные размеры с описанными в ГОСТе. В идеале показатели должны полностью совпадать, хотя иногда металлопродукция изготавливается под заказ. Индивидуальные профили выпускаются небольшими партиями – под конкретный проект. Цены швеллеров под заказ отличаются от стоимости продукции серийного производства.

В нормативах ГОСТа четко прописаны все требования, которым должен соответствовать швеллер того или иного типа
Стандартная высота швеллеров колеблется от 50 до 400 мм, ширина полочек – от 32 до 115 мм. Допустимая погрешность (по сравнению с указанными нормативными размерами) может составлять максимум 3 мм. Мерная длина швеллеров соответствует показателю от 4 до 13 м.
Вес швеллеров, их маркировка и условные обозначения
Для обозначения разных типов швеллеров используют специальную маркировку. Буква обозначает тип профиля, характеризуя особенности строения и расположения граней:
- «П» – указывает на параллельность;
- «У» – обозначает наличие уклона на гранях;
- «Э» – свидетельствует об экономичности;
- «Л» – подразумевает лёгкость;
- «С» – говорит о специальном назначении профиля.

Для определения видов швеллеров, а также их характеристик используют специальные условные обозначения
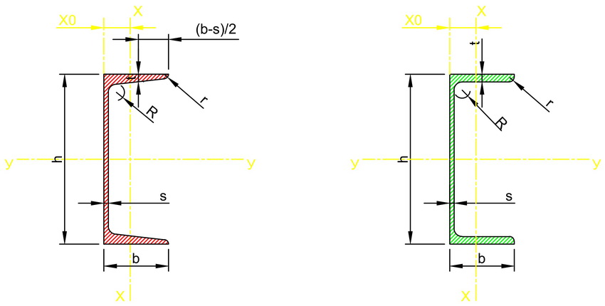
Кроме высоты изделия, применяются и другие показатели размеров. В таблицах они имеют специальные обозначения:
- h – это высота профиля, что является основной величиной, определяющей размер продукции металлопроката;
- b – указывает на ширину полок;
- S – показатель толщины главной стенки;
- R – определяет радиус закруглённой внутренней части полочки;
- t – указывает на толщину полок;
- r – это значение общего радиуса закруглённости полочек.
Важным показателем в выборе материала (при проектировании строительства) является вес швеллера. Правильный расчет данных позволяет точно рассчитать количество необходимой продукции и, таким образом, сэкономить на ее приобретении. Существует несколько методов вычисления веса погонного метра. Они зависят от способа изготовления проката
Например, для определения удельной массы горячекатаного швеллера берут во внимание показатели радиусов внутреннего закругления и закругления полочек

Чертеж швеллера из горячекатаной стали с уклоном и параллельными полками
Область использования
Мы уже упоминали применение швеллеров в разных видах строительства. Их главная задача – усиливать бетонные конструкции, повышать прочность и срок эксплуатации постройки. Помимо этого, швеллерами армируют ЛЭП, мосты, промышленные здания, сооружения.
В каталоге есть перфорированные изделия. Они оснащены специальными отверстиями, необходимые для оперативной установки конструкций без электросварки. Также между полками швеллера могут находиться трубы, для подведения инженерных коммуникаций и кабельных линий.
Алюминиевые швеллеры актуальны для легких частей здания, таких как внутренние перегородки помещений, витрины, стеллажи.
Классификация швеллеров по способу производства
Швеллеры бывают гнутыми и горячекатаными, от способа производства зависят механические и эксплуатационные характеристики, область применения и стоимость одного погонного метра.
Гнутые швеллеры выпускаются:
- С одинаковыми полками (равнополочные). Для их производства используются трубные станы, материал для изготовления — углеродистая, конструкционная и низколегированная сталь (Ст3сп, Ст3пс, 09Г2С и др.) различной толщины. Сортамент гнутых швеллеров определяется по ГОСТ 8278-83.
- Гнутые швеллеры с полками разной длины (неравнополочные) изготавливаются на профилегибочных станах также из Ст3сп, Ст3пс, 09Г2С. Сортамент неравнополочных швеллеров устанавливается ГОСТ 8281-80 (аналогичен ГОСТ 8278-83).
Горячекатаные швеллеры производятся способом горячего профилирования из углеродистой и низколегированной стали, сортамент горячекатаных швеллеров общего и специального назначения определяется по ГОСТ 8240-97.
Классификация

Разновидности швеллера зависят от нескольких критериев. В частности, продукция подразделяется на такие группы:
- По технологии изготовления. В этом направлении выделяются две категории: гнутые и горячего проката. Отличия между изделиями заключаются в следующем: горячекатаные швеллеры имеют прямой или острый угол между поперечной балкой и вертикальными гранями, гнутые – имеют изгиб округлой формы. К этой категории можно выделить сварные конструкции, выполненные из двух сваренных уголков и H-образные, получившие название двутаврового швеллера.
- Точность проката. Здесь существуют три группы: А, Б, В, обозначающие высокую, повышенную и обычную точность соответственно.
- Прочность. Этот критерий определяет устойчивость изделия к динамическим нагрузкам. В частности, на рынке имеются изделия обычной и повышенной прочности.
Кроме этого, швеллеры разделяются на размерные группы, где определяющими критериями являются длина и ширина изделия.
Некоторые особенности выбора
Сортамент швеллеров, конечно, значительно уступает в разнообразии сортаменту уголков, но это не мешает подбору изделия необходимых размеров и характеристик для решения конкретной конструкторской задачи. При выборе определенной марки из сортамента следует руководствоваться следующим правилом, которое актуально для изделий любого профиля: определившись с типом швеллера, соответствующего вашим требованиям, следует включить в спецификацию к чертежу ту марку, которая находится ближе к началу таблицы.
Сортамент, в котором различные типы швеллеров представлены в виде таблицы, позволяет определить не только их размеры, но и ряд других важных параметров:
- вес погонного метра;
- площадь поперечного сечения;
- осевой момент инерции;
- осевой момент сопротивления;
- радиусы инерции.
Три последние параметра рассчитываются относительно центральной оси сечения швеллера.
Разновидности
С помощью горячей прокатки изготавливают несколько видов швеллеров (в соответствии с ГОСТ 8240-97):
- С уклоном внутренних граней полок 6-10%. В обозначении такого элемента присутствует буква «У». Область применения может отличаться, специальное назначение маркируется «С», усиленные балки – «а». В последнем случае ширина и толщина полки больше по сравнению со стандартными элементами.
- Швеллер 16п имеет параллельные полки. Дополнительно могут вводиться индексы «Л» и «Э», которые свидетельствуют о малом весе (легкие) и экономичности. Они имеют уменьшенные габариты стенок и полок, но высота их составляет 16 см.

Гнутый прокат характеризуется скругленными углами и равными по толщине стенкой и полками. Равнополочные элементы изготавливают по ГОСТ 8278-83, а неравнополочные – по ГОСТ 8281-80. С помощью гибки можно создать больше видов швеллеров, чем горячей прокаткой. Гнутые изделия характеризуются высоким качеством поверхности и точностью размеров. Это обусловлено отсутствием температурных воздействий, вызывающих усадку, а также технологичностью процесса.
Вес, цена, размеры швеллера 20: все необходимые сведения о профиле
Швеллер 20 относится к разряду универсальных изделий из металлопроката, произведенных из стали горячекатаным способом. Его применяют практически во всех отраслях – не только при строительстве несущих конструкций, но и для возведения мостов, в автомобильной и вагонной промышленностях, а также в тяжелом машиностроении. Производство изделий регламентируется несколькими ГОСТами, согласно которым установлены технические характеристики и допустимые отклонения от нормы.
Швеллер 20 имеет три основных типа, которые соответствуют определенным требованиям Госстандарта:
- общего применения и специального предназначения – ГОСТ 8240-97;
- специальные для автомобилестроения – ГОСТ 19425-74;
- специальные для вагоностроения – ГОСТ 5267.1-90.
Для всех этих типов проката характерны общие параметры, такие как высота, ширина полок и вес швеллера 20. Следует отметить, что профиль может быть как равнополочным, так и с наклоненными гранями полок. Размерные характеристики профиля 20 следующие:
- высота – 200 мм;
- ширина полки – 76 мм;
- толщина стенок – 52 мм;
- толщина полочки – 9 мм.
Швеллер 20 наиболее востребован в строительстве для сооружения поддерживающих конструкций. Масса разных типов швеллера может немного отличаться. Например, у швеллера 20П вес 1 метра равен 18,4 кг. Серия П швеллера 20 наиболее востребована на строительном рынке. Его используют как для сооружения каркасов, так и для строительства мостов, создания крупных станков, а также в других целях. Согласно ГОСТ 8240-89 для горячекатаных и ГОСТ 8278-83 для гнутых швеллеров профили изготавливают длиной от 4 до 12 м.
Материалы для швеллера
Согласно требующимся характеристикам готовой продукции, она может выпускаться из стали разных марок.
Если используется горячий прокат, основное сырье – следующие виды стали Ст3 (спокойной и полуспокойной): 09Г2С, 17Г1С, 10ХСНД, 15ХСНД. Два последних наименования легче остальных и устойчивее к коррозии.
Гнутье выполняется из разновидностей: Ст3пс5, 09Г2С, 08пс, 1пс, 2пс.
Поскольку все названные сплавы чувствительны к коррозии, когда необходимо, применяется оцинковка. За счет нее увеличивается срок эксплуатации деталей, прежде всего, используемых на открытом пространстве, при условиях высокой влажности.
Вариации швеллера 14: размеры, масса, сфера применения
П-образная продукция с маркировкой 14, благодаря своим высоким прочностным характеристикам, широко используется в укреплениях железобетонных изделий, применяется для армирования металлоконструкций, а также в различных строительных и реставрационных работах. Данный тип изделия имеет свои серии:
- 14П – это швеллер, произведенный горячекатаным способом, имеющий общее назначение. Его производят согласно ГОСТ 8240-97.
- 14У – это профиль специального назначения, который широко используют в машиностроении.
- Стальной гнутый швеллер с равными полками выпускают посредством специализированных станков.
- Гнутый профиль из стали с неравными полками производят на профилегибочном оборудовании.
Швеллер 14, как и другие виды металлопроката, может быть как с параллельными полочками (маркировка «П»), так и с наклонными – марка «У».
Для обеих серий существуют общие характеристики швеллера:
- высота – 140 мм;
- ширина – 58 мм;
- толщина полочки – 8,1 мм;
- толщина стенки – 4,9 мм;
- вес 1 метра швеллера 14 – 12,3 кг;
- в 1 тонне насчитывается 81,3 м изделия.
Швеллер 14 — схема сечения с условными обозначениями. Необходимо отметить, что вес швеллера 14 строго регламентируется требованиями определенного ГОСТа. Максимальная погрешность не может превышать 4,5% от массы всей приобретаемой продукции. Швеллеры данного типа выпускают длиной от 2 до 12 м. Стоимость продукции зависит от серии.
Горячекатаный швеллер 16: технические характеристики и области применения
Металлопродукция этой группы производится в соответствии с ГОСТом 8240-97. Различают разновидности: с уклоном внутренних граней полок («У») и параллельными гранями («П»), в нормальном и усиленном вариантах. В маркировке усиленная продукция имеет индекс «а». С уклоном внутренних граней в диапазоне 6-10% выпускают также специальную серию («С»), а с параллельными внутренними гранями – легкую («Л») и экономичную («Э»).
Таблица размеров горячекатаного швеллера 16 серий «У», «С», «П», «Л», «Э» и весов 1 м
| Тип | Высота стенки, h, мм | Ширина полки, b, мм | Толщина стенки, s, мм | Толщина полки, t, мм | Радиус кривизны, R, мм | Радиус закругления полки, r, мм | Масса, кг |
| 16У | 160,0 | 64,0 | 5,0 | 8,4 | 8,5 | 3,5 | 14,2 |
| 16аУ | 160,0 | 68,0 | 5,0 | 9,0 | 8,5 | 3,5 | 15,3 |
| 16С | 160,0 | 63,0 | 6,5 | 10,0 | 10,0 | 5,0 | 17,53 |
| 16аС | 160,0 | 65,0 | 8,5 | 10,0 | 10,0 | 5,0 | 19,74 |
| 16П | 160,0 | 64,0 | 5,0 | 8,4 | 8,5 | 5,0 | 14,2 |
| 16аП | 160,0 | 68,0 | 5,0 | 9,0 | 8,5 | 5,0 | 15,3 |
| 16Л | 160,0 | 35,0 | 3,4 | 5,3 | 8,0 | — | 7,1 |
| 16Э | 160,0 | 64,0 | 4,7 | 8,4 | 11,0 | 3,5 | 14,01 |
Способом горячей прокатки при температурах, которые превышают порог рекристаллизации стали, производят изделия с высокими прочностными характеристиками. Визуальное отличие горячекатаных профильных металлоизделий – четкие наружные углы, у гнутых аналогов они слегка скруглены.
Швеллер 16 из углеродистых сталей обыкновенного качества применяется в строительстве. В том числе он востребован в регионах с высокой сейсмической активностью или при сооружении объектов, эксплуатация которых связана с вибрационными нагрузками.
Основные области применения:
- каркасное строительство (в качестве основного элемента каркасов небольших сооружений или дополнительного при возведении крупногабаритных строений);
- изготовление маршевых и винтовых лестниц;
- армирование фундаментов;
- устройство ростверка свайного или свайно-винтового фундаментов;
- создание опор для объектов наружной рекламы.
Если при монтаже конструкции важным фактором является хорошее сопряжение швеллера с другими элементами по внутренней поверхности, то используют металлоизделия с параллельными внутренними гранями полок.
Для эксплуатации в условиях повышенных нагрузок и в районах с холодным климатом востребован горячекатаный швеллер, изготовленный из низколегированных сталей, содержащих повышенное количество марганца, например 09Г2С.
Швеллер: изготовление, классификация, ГОСТы | Полезные статьи о металлопрокате
Швеллер – это предмет, который нередко используется в контакте с иными несущими конструкциями. Дословный перевод данного слова означает «подоконник». По форме сечения он напоминает букву П, а по характеристикам считается изделием, которое обеспечивает отличную адгезию материалов.
Изготовляя этот предмет, производители знают, что вес распределен равномерно, избегая изломов в одном месте. Присутствует швеллер без преувеличения везде – это встречают в зданиях, сооружениях и ограждениях. Его используют, строя дороги и мосты. Требования к химическому составу, габаритам, способам изготовления прописаны в государственных стандартах.
Там же отображены все доступные на сегодня разновидности предметов.
Государственные стандарты
Швеллер горячекатаный – это результат использования стального листа определенных свойств и прокатного стана. Гнутый же изготовляют из того же материала с профилегибочным станом. У него скругленные полки.
Государственные стандарты:
Ассортимент сортов горячекатаного швеллера прописан в ГОСТ 8240-97. Там указано, что бывают изделия общего или спецназначения. Они составляют не более 400 мм в высоту и 115 мм в ширину.
ГОСТ 8240-89 – это официальный норматив, который регулирует ассортимент сортов горячекатаных изделий, если внутренние грани полок расположены с уклоном. Еще он прописывает характеристики швеллеров, где грани полок параллельны. Документ приводит таблицу, где указана масса, отображен размер (габаритный и поперечного сечения). Государственный стандарт указывает, какие могут быть отклонения по разным характеристикам.
ГОСТ 11474-76 прописывает сортамент гнутых швеллеров. Его тоже нужно учитывать при производстве данных конструкций.
ГОСТ 8278-83, 8281-80 – документы, отображающие вес и размеры гнутых швеллеров
Соответствие приведенным там требованиям важно для конечного потребителя – оно гарантирует высокую износостойкость конструкции.
Гнутый швеллер – это износостойкая альтернатива кирпичу или древесине. Из него производят каркас несущей конструкции, ограду или перекрытие. Ему свойственна гибкость и прочность. Он легко поддается свариванию. Использование такого продукта сокращает строительные расходы на треть.
Его применяют и там, где от характеристик несущей конструкции зависит многое. Размеры могут серьезно отличаться. Вес и габариты прописаны в государственных стандартах. Его производят на профилегибочном стане, используя горяче- или холоднокатаную сталь.
Можно использовать еще конструкционный или низколегированный железный сплав.
Таблица швеллеров, представленная в документе, содержит информацию по размерам поперченного сечения, номинальным габаритам, массе 1 м.
Швеллеры с уклоном внутренних граней полок
| Номер швеллера | h | b | s | t | R | r | Площадь поперечного сечения, см2 | Масса 1 м, кг | Справочные значения для осей | zо, см | ||||||
| не более | X – X | Y – Y | ||||||||||||||
| Ix, см4 | Wx, см3 | ix, см | sx, см3 | Iy, см4 | Wy, см3 | iy, см | ||||||||||
| мм | ||||||||||||||||
| 5 | 50 | 32 | 4,4 | 7,0 | 6,0 | 2,5 | 6,16 | 4,84 | 22,8 | 9,1 | 1,92 | 5,59 | 5,61 | 2,75 | 0,95 | 1,16 |
| 6,5 | 65 | 36 | 4,4 | 7,2 | 6,0 | 2,5 | 7,51 | 5,90 | 48,6 | 15,0 | 2,54 | 9,00 | 8,70 | 3,68 | 1,08 | 1,24 |
| 8 | 80 | 40 | 4,5 | 7,4 | 6,5 | 2,5 | 8,98 | 7,05 | 89,4 | 22,4 | 3,16 | 23,30 | 12,80 | 4,75 | 1,19 | 1,31 |
| 10 | 100 | 46 | 4,5 | 7,6 | 7,0 | 3,0 | 10,90 | 8,59 | 174,0 | 34,8 | 3,99 | 20,40 | 20,40 | 6,46 | 1,37 | 1,44 |
| 12 | 120 | 52 | 4,8 | 7,8 | 7,5 | 3,0 | 13,30 | 10,40 | 304,0 | 50,6 | 4,78 | 29,60 | 31,20 | 8,52 | 1,53 | 1,54 |
| 14 | 140 | 58 | 4,9 | 8,1 | 8,0 | 3,0 | 15,60 | 12,30 | 491,0 | 70,2 | 5,60 | 40,80 | 45,40 | 11,00 | 1,70 | 1,67 |
| 16 | 160 | 64 | 5,0 | 8,4 | 8,5 | 3,5 | 18,10 | 14,20 | 747,0 | 93,4 | 6,42 | 54,10 | 63,30 | 13,80 | 1,87 | 1,80 |
| 16a | 160 | 68 | 5,0 | 9,0 | 8,5 | 3,5 | 19,50 | 15,30 | 823,0 | 103,0 | 6,49 | 59,40 | 78,80 | 16,40 | 2,01 | 2,00 |
| 18 | 180 | 70 | 5,1 | 8,7 | 9,0 | 3,5 | 20,70 | 16,30 | 1090,0 | 121,0 | 7,24 | 69,80 | 86,00 | 17,00 | 2,04 | 1,94 |
| 18a | 180 | 74 | 5,1 | 9,3 | 9,0 | 3,5 | 22,20 | 17,40 | 1190,0 | 132,0 | 7,32 | 76,10 | 105,00 | 20,00 | 2,18 | 2,13 |
| 20 | 200 | 76 | 5,2 | 9,0 | 9,5 | 4,0 | 23,40 | 18,40 | 1520,0 | 152,0 | 8,07 | 87,80 | 113,00 | 20,50 | 2,20 | 2,07 |
| 22 | 220 | 82 | 5,4 | 9,5 | 10,0 | 4,0 | 26,70 | 21,00 | 2110,0 | 192,0 | 8,89 | 110,00 | 151,00 | 25,10 | 2,37 | 2,21 |
| 24 | 240 | 90 | 5,6 | 10,0 | 10,5 | 4,0 | 30,60 | 24,00 | 2900,0 | 242,0 | 9,73 | 139,00 | 208,00 | 31,60 | 2,60 | 2,42 |
| 27 | 270 | 95 | 6,0 | 10,5 | 11,0 | 4,5 | 35,20 | 27,70 | 4160,0 | 308,0 | 10,90 | 178,00 | 262,00 | 37,30 | 2,73 | 2,47 |
| 30 | 300 | 100 | 6,5 | 11,0 | 12,0 | 5,0 | 40,50 | 31,80 | 5810,0 | 387,0 | 12,00 | 224,00 | 327,00 | 43,60 | 2,84 | 2,52 |
| 33 | 330 | 105 | 7,0 | 11,7 | 13,0 | 5,0 | 46,50 | 36,50 | 7980,0 | 484,0 | 13,10 | 281,00 | 410,00 | 51,80 | 2,97 | 2,59 |
| 36 | 360 | 110 | 7,5 | 12,6 | 14,0 | 6,0 | 53,40 | 41,90 | 10820,0 | 601,0 | 14,20 | 350,00 | 513,00 | 61,70 | 3,10 | 2,68 |
| 40 | 400 | 115 | 8,0 | 13,5 | 15,0 | 6,0 | 61,50 | 48,30 | 15220,0 | 761,0 | 15,70 | 444,00 | 642,00 | 73,40 | 3,23 | 2,75 |
Швеллер стальной горячекатаный ГОСТ 8420-97
Швеллер стальной горячекатаный ГОСТ 8240-97. Швеллер характеристики ГОСТ. 4.30/5 (86.00%) проголосовало 10

Швеллер – разновидность фасонного стального проката, поперечное сечение которого напоминает букву «П». Эту металлопродукцию изготавливают способами горячей прокатки или гибки, с равными и разными по размеру полками. Размер профиля обозначают номером, равным высоте стенки.
Характеристики горячекатаного швеллера
Эта металлопродукция выпускается равнополочной, в соответствии с ГОСТом 8240-97, из углеродистой стали обыкновенного качества, качественной, низколегированной. Сортамент включает изделия с шириной полок 32-115 мм, высотой – 50-400 мм. По точности размеров различают изделия обычной, повышенной, высокой точности. Длина отрезков, поступающих в продажу, – 4-12 м, по согласованию с заказчиком – более 12 м.
Для этой продукции характерны:
- прочность;
- устойчивость к вертикальным нагрузкам;
- высокое сопротивление на изгиб.
Благодаря этим характеристикам, горячекатаный швеллер используют:
- в строительстве – жилищном, промышленном, инфраструктурном;
- в мостостроении;
- для сооружения опор при прокладке магистральных трубопроводов.
В отличие от двутавра, П-образный профиль применяется в частном малоэтажном домостроении. Он востребован для создания каркасных конструкций, армирования межэтажных перекрытий, колонн, мостов.
Швеллер ГОСТ 8240-97 купить
В соответствии с ГОСТом 8240-97, выделяют следующие виды горячекатаного П-образного профиля, широкий ассортимент которого представлен на сайте:
- «У» – с уклоном внутренних граней полок. Благодаря утолщению в углах профиля, является наиболее жестким и прочным вариантом.
- «П» – с параллельными внутренними гранями. Такой прокат обеспечивает хорошее сопряжение по внутренней поверхности профиля. Разновидности: «Э» –экономичная серия и «Л» – легкая серия.
«С» – специальный.
Характеристики гнутого швеллера
Гнутые изделия изготавливаются из горячекатаной или холоднокатаной полосы, ленты, листа на профилегибочных станах. Такая продукция может быть равно- и неравнополочной. Исходным материалом для изготовления служит не только «черная» углеродистая и низколегированная, но и коррозионностойкая, жаропрочная и жаростойкая стали.
Отличия гнутой продукции от горячекатаной:
- Визуальные. Наружные углы скруглены, в отличие от четких углов горячекатаного профиля.
- Меньшее количество поверхностных дефектов, которые частично исправляются при гибке.
- Меньшая масса, по сравнению с горячекатаным аналогом того же номера.
Этот вид профильных металлоизделий обладает меньшей прочностью и жесткостью, чем горячекатаные изделия, поэтому не используется при создании несущих конструкций, запланированных для эксплуатации при высоких нагрузках. Гнутые швеллеры используют:
- для создания перегородок внутри помещений;
- в отделочных работах – для устройства основы в системах вентилируемых фасадов;
- для изготовления рамных конструкций автомобилей и вагонов, тяжелой дорожной и строительной техники.
ГОСТ 8278-83 регламентирует производство широкого сортамента равно- и неравнополочного швеллера, что позволяет выбрать оптимальный тип металлопродукции для решения конкретной строительной или производственной задачи.





























