Идея №4 – Простой проволочный вариант
Есть еще один вариант изготовления миниатюрного паяльника – с использованием нихромовой проволоки. Для этого вам понадобится:
- Кусок нихромовой проволоки. Вытащить ее можно из старых нагревательных элементов, проволочных резисторов, утюгов, фенов и т.д. Главной характеристикой такой проволоки является ее диаметр, ведь именно от него зависит сопротивление катушки и, соответственно, мощность изготавливаемого инструмента. Рассчитать необходимую длину для вашего диаметра можно по формуле, указанной в инструкции к варианту №1. Удельное сопротивление нихрома в зависимости от диаметра приведено в таблице ниже.
- Просверлите в бруске отверстие под медную проволоку раза в 3 больше, чем ее диаметр.
- Поместите в него кусок медной проволоки так, чтобы он выступал примерно на 5 см и закрепите его там с помощью густой замазки из гипса, дайте просохнуть.
- Оденьте на медный пруток, являющийся жалом, изоляцию и намотайте нужное количество нихромовой проволоки, оставляя расстояние между витками. На концы также оденьте изоляцию и подведите их ближе к ручке. Затем соедините на скрутки с проводами. Примотайте их к ручке на изоленту.
Вот и все, у вас получилась еще одна простая и надежная конструкция паяльника, сделанная своими руками.
Мы все же рекомендуем использовать либо первый, либо второй вариант, который является более понятным и простым в изготовлении. Что касается трансформаторного варианта, он хоть и мощнее, но все же не настолько удобен в использовании. Надеемся, что данные фото инструкции были для Вас полезными и напоследок рекомендуем обязательно просмотреть все видео примеры, в которых процесс сборки рассмотрен более подробно!
Также читают:
- Как правильно паять провода
- Какие инструменты должны быть у электрика
- Как сделать мини дрель своими руками
Видео инструкция по изготовлению простейшего электроприбора
Основные этапы работ
Берем кусок металлической трубки подходящей длины и вставляем в него нагревательный элемент прикуривателя.
Далее потребуется кусок стальной проволоки (можно использовать канцелярскую скрепку, предварительно выпрямив ее).
Стальную проволоку нужно намотать на верхнюю часть, чуть ниже нагревательного элемента.
На конец проволоки автор надевает отрезок трубки, а затем — клемму.
На основную трубку надеваем кусок полипропиленовой трубы, фиксируем к ней тонкую трубку с помощью стяжек (двух штук будет достаточно).
В ПП трубе нужно просверлить отверстие, в которое вставляем двухжильный провод.
Одну жилу необходимо подключить к клемме, а вторую — к задней части корпуса, в котором установлен нагревательный элемент.
Куда подключать «+» или «-» принципиального значения не имеет.
Ручку паяльника обматываем изолентой (тряпичной или ПВХ), устанавливаем заглушку и подключаем провод к БП.
Подробно о том, как сделать инфракрасный паяльник из автомобильного прикуривателя, смотрите в видеоролике на сайте.
Приспособление для прокола отверстий в деревянных планках
Самодельный теплообменник для кирпичной печи (16 фото изготовления)
Копирование материалов
Использование любых материалов, размещенных на сайте Labuda.blog, разрешается только при указании прямой индексируемой ссылки (гиперссылки) на копируемую страницу сайта Labuda.blog. Ссылка обязательна вне зависимости от полного либо частичного использования материалов.
ВНИМАНИЕ! Мы не разрешаем, сторонним ресурсам, встраивать ссылки на файлы-изображения размещенные на нашем хостинге. Все изображения защищены от хотлинка
Обычное копирование (сохранение) изображений на сторонние ресурсы разрешается!
Правовая информация
Уважаемые авторы, помните, размещаемые вами публикации, не должны нарушать законодательство Российской Федерации и авторские права сторонних ресурсов.
*Экстремистские и террористические организации, запрещенные в Российской Федерации и Республиках Новороссии: «Правый сектор», «Украинская повстанческая армия» (УПА), «ИГИЛ», «Джабхат Фатх аш-Шам» (бывшая «Джабхат ан-Нусра», «Джебхат ан-Нусра»), Национал-Большевистская партия (НБП), «Аль-Каида», «УНА-УНСО», «Талибан», «Меджлис крымско-татарского народа», «Свидетели Иеговы», «Мизантропик Дивижн», «Братство» Корчинского, «Артподготовка», «Тризуб им. Степана Бандеры», «НСО», «Славянский союз», «Формат-18», «Хизб ут-Тахрир».
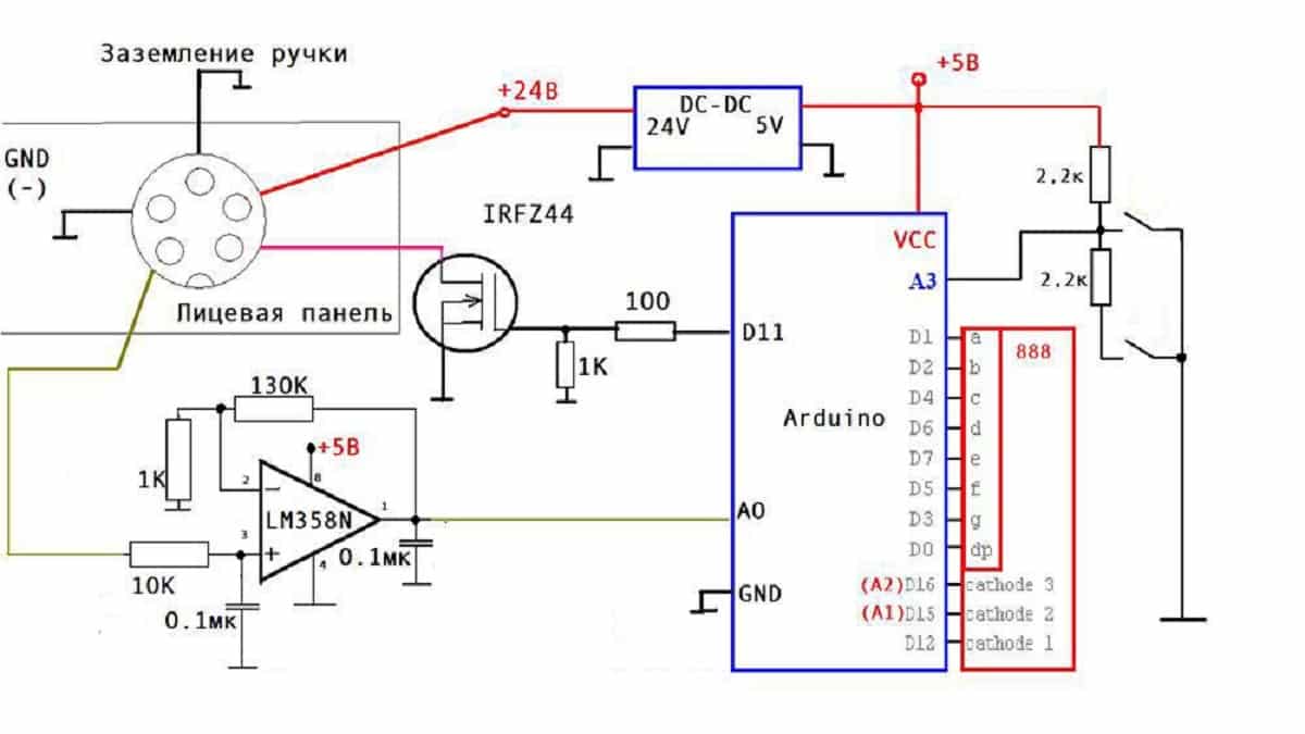
Способ №3. Автоматическая паяльная станция на базе Ардуино
Такая паяльная станция собирается на базе микроконтроллера Arduino, который выполняет роль логического элемента, обрабатывающего данные от индикатора температуры и регулирующего мощность нагрева жала. Отличительной особенностью такого устройства является полная автоматизация контроля за температурой – вам достаточно задать ее и дождаться нагревания. Пример схемы для сборки приведен на рисунке ниже:
![]()
Рис. 10. схема паяльной станции на базе ардуино
Чтобы собрать такую станцию вам понадобится:
- сама плата Ардуино для управления работой паяльной станции;
- цифровое табло для отображения температуры нагрева;
- микросхему для программирования паяльной станции;
- транзистор, стабилизатор и кнопки, магазин резисторов и емкостных элементов.
Для сборки такой паяльной станции воспользуйтесь приведенной схемой, в качестве нагревательного элемента будет выступать жало обычного паяльника с датчиком температуры, которые подключаются к собранной схеме.
К недостаткам такого устройства следует отнести его сложность, из-за чего начинающие радиолюбители могут попросту не собрать рабочую версию с первого раза. Также для пайки используемых в автоматической станции элементов вам понадобиться специальный паяльник и предварительные навыки работы с ним, чтобы не испортить детали.
Какую выбрать?
Есть несколько базовых характеристик, влияющих на выбор станции. Среди них:
- комплектация – то есть наличие дополнительных элементов, которые входят в набор вместе с самим паяльником (термопинцет, различные держатели и прочие детали);
- мощность – считается, что большая часть паяльных работ проводится с помощью станций с мощностью 60-90 Вт;
- вид нагревательного элемента – как уже говорилось выше, керамический сегодня наиболее востребован;
- тип управления – более надежными справедливо считаются цифровые станции.
Если нужны конкретные бренды, то и среди профи, и среди радиолюбителей лидируют такие марки как Ersa, Zubr, Hakko, Lukey, Aoyue.
Для чего нужна паяльная станция
Паяльная станция, в отличие от простого паяльника, – система более усовершенствованная. Она позволяет спаять мелкие детали, такие, к примеру, как SMD-компоненты, контролировать нагрев на табло, программировать кнопки. Кроме того, благодаря бесконтактной системе пайки перегрев соседних элементов здесь исключён.

Благодаря «умному» блоку управления можно задать необходимые настройки температуры, включить и выключить систему нажатием одной кнопки
Паяльная станция бесконтактного типа относится к современным системам пайки. К примеру, нагрев с помощью термофена помогает мастерам в ремонте бытовых электроприборов и мобильников. А вот с помощью ИК-систем можно производить монтаж и демонтаж микросхем (даже формата BGA).
А чем отличаются термофены?
Основная разница в их структуре – это компрессорный или турбинный (мембранный) тип нагнетания воздуха.
В первом варианте специальный компрессор находится внутри корпуса паяльной станции. Он прокачивает воздух в фен через воздушный шланг. У этого типа сам термофен меньше в размерах и удобнее, но его производительность тоже страдает, а станция из-за громоздкого компрессора весит значительно больше турбинных моделей.
Второй тип называется так, потому что непосредственно внутри ручки фена вентилятор (турбина) накачивает воздух и прогоняет его через нагревательный элемент. От станции к фену в этом варианте идет только провод управления. Достоинства – меньший размер станции, большая производительность. Недостатки – не такая удобная для удержания форма.
По схеме поддержания температуры станции можно выделить три категории, в порядке увеличения качества: симисторная регулировка, регулировка с помощью ШИМ-контроллера со считыванием ошибок, ПИД-регулировка, самостоятельно предсказывающая изменения температуры.
Первая регулировка не имеет датчиков температуры, её изменение происходит путем уменьшения общей мощности. Очевидный недостаток – если нужна небольшая температура, придётся мириться со значительно более длительным нагревом и уменьшенной нагревательной способности.
Второй тип (ШИМ-регулировка) применяется в большинстве паяльных станций, представленных на рынке. Контроллер следит за изменением температуры, и если она меньше заданной – включает нагреватель на полную мощность, пока он не нагреется до нужного значения.
Последний тип можно встретить в станциях более высокой ценовой категории. ПИД-регулирование следит не только за температурой, но и за скоростью её изменения – это позволяет подавать на выход такую мощность, чтобы температура оставалась на одном уровне даже с учётом быстрого охлаждения жала.
Помимо вышеперечисленного, существуют еще станции с дополнительными примочками: дымопоглотителями, встроенными лабораторными блоками питания и другими приспособлениями. Специфические особенности лучше выбирать специально под свои задачи.
Цель и задачи применения
Паяльные станции используются в радиотехнике и сопутствующих направлениях производства и творчества. Пользователи применяют инструмент для выполнения разных видов работ.
- Пирография – выполнение рисунков с помощью тепловых приспособлений. Нагревая отдельные участки заготовок, добиваются изменения положения термопластичных элементов. Создаются композиции из пластиков одного цвета или многоцветные композиции.
- Сваривать пластики, при изготовлении корпусов, шкатулок или иных плоских и пространственных изделий.
- Выполнение монтажа, ремонта и иные целевые работы. Некоторые виды работ возможны только при использовании фенов, плавящих частицы пластика, не перегревая его.
- Для сборки электронных устройств и приборов.
- Пайки и монтажа электронных схем в электронике.
- Лужение и подготовка для сложного монтажа массивных деталей и узлов, соединяемых при расплавлении припоя.
- Для сварки в ограниченном пространстве.
- Пайкой SMD-компонентов, их монтажа и демонтажа на платах.
- Для усадки термоусадочной изоляции по завершении работ.
Какую выбрать?
Есть несколько базовых характеристик, влияющих на выбор станции. Среди них:
- комплектация – то есть наличие дополнительных элементов, которые входят в набор вместе с самим паяльником (термопинцет, различные держатели и прочие детали);
- мощность – считается, что большая часть паяльных работ проводится с помощью станций с мощностью 60-90 Вт;
- вид нагревательного элемента – как уже говорилось выше, керамический сегодня наиболее востребован;
- тип управления – более надежными справедливо считаются цифровые станции.
Если нужны конкретные бренды, то и среди профи, и среди радиолюбителей лидируют такие марки как Ersa, Zubr, Hakko, Lukey, Aoyue.

Способ №2. Бесконтактная паяльная станция
Как показывает практика, далеко не всегда нагревом жала можно воздействовать на любые элементы платы, к примеру, к тем же smd деталям крайне трудно подобраться. В таких ситуациях используется паяльный фен, направляющий поток горячего воздуха на ножки.
Несмотря на схожесть, переделать обычное устройство для сушки волос в инфракрасную станцию не получится, так как рабочая температура должна достигать 500 — 800ºС. Для сборки такой паяльной станции вам понадобится компрессор для подачи воздуха, нагревательный элемент, корпус для элементов управления, сопло, понижающий трансформатор, выпрямитель, блок управления скоростью подачи воздуха.
Принципиальная схема такой паяльной станции приведена на рисунке ниже:
Рис. 2: электрическая схема термофена
Принцип действия паяльной станции основан на воздействии инфракрасного излучения от нагревательного элемента непосредственно в область пайки. Компрессор подает воздух от нагревателя через сужающееся сопло, создавая эффект турбины, производительность насоса желательно обеспечить в пределах от 20 до 30 л в минуту.
При изготовлении инфракрасной станции существует два способа для ее выполнения — ручная модель или стационарная. Первый вариант подходит в тех ситуациях, когда корпус ИК паяльной предвидится относительно небольших размеров и будет удобно помещаться в руке. Второй способ подойдет для крупногабаритных приспособлений, в которых станция установлена неподвижно, а заготовка перемещается под соплом.
Рассмотрим такой пример изготовления паяльной станции бесконтактного типа:
- Намотайте нагревательную спираль из нихромовой проволоки, в данном случае используется диаметром 0,8мм. Можете взять и другой вариант, к примеру, от электрической плиты.
Рис. 3: намотайте нагревательный элемент
- Для намотки используйте жесткий каркас, укладывайте витки вплотную, но не делайте нахлестов и следите за тем, чтобы не закоротить намотку. Чем меньше диаметр проволоки у вас получится, тем эффективнее будет идти нагрев, достаточно будет спирали с наружным диаметром 8 – 10 мм.
- В данном примере изготавливаются несколько спиралей, соединяемых параллельно для повышения температуры нагрева.
- Установите полученную спираль на цилиндрический каркас из негорючего материала.
Рисунок 4: поместите спирали на диэлектрический элемент Предварительно удалите с каркаса все лишнее но если он уже готов, можете сразу осуществлять намотку.
- Изготовьте металлический стакан для нагревательного элемента, в этом примере изготовления паяльной станции мы сделаем его из корпуса пальчиковой батарейки.
- Из куска телескопической антенны от радиоприемника сделайте сопло, один край которого нужно расплескать и надеть на шайбу.
Рис. 5. Наденьте шайбу
- Прикрутите шайбу сопла к стакану из батарейки при помощи соразмерных болтов.
Рис. 6: прикрутите сопло к стакану
- Поместите внутрь стакана между спиралью и стенками термоизоляционный материал, чтобы предотвратить перегревание наружных деталей.
- Соберите диодный мост из четырех полупроводниковых элементов, если под рукой уже есть готовая сборка, можете использовать и ее.
- Изготовьте блок питания из понижающего трансформатора и выпрямительного агрегата, ваша задача получить на выходе низкое напряжение для снижения вероятности поражения электротоком. В рассматриваемом примере получается около 10 – 15В, мощность трансформатора составляет 150Вт. Аналогичная модель может браться с готового оборудования.
- Корпус для паяльной станции мы изготовим из обычной пластиковой бутылки. В данном примере нам нужен прозрачный пластик, так как в нем легче подключать блок питания, нагнетатель воздуха и плату управления.
Рис. 7. соедините все элементы в корпусе
- Подключите куллер и нагревательную спираль к выводам блока питания, подсоедините регулятор напряжения.
Рис. 8. установите кулер
Регулировка мощности теплового потока может осуществляться либо по скорости подачи воздуха, либо по уровню напряжения, подаваемого на нагреватель.
Подключите шнур питания к выводам трансформатора – паяльная станция готова к использованию.
Рис. 9: паяльная станция готова
РадиоКот :: «Прикуяльник» или прикуриватель в роли паяльника
Добавить ссылку на обсуждение статьи на форумеРадиоКот >Лаборатория >Радиолюбительские технологии >
| Теги статьи: | Добавить тег |
«Прикуяльник» или прикуриватель в роли паяльника
С днем рождения, котище. Расти, крепчай, и дорастай до Матёрого Котяры.Вспомню я пехоту и родную роту
и тебя за то что ты дал мне прикурить
Давай закурим товарищ по одной давай закурим товарищ мой (К.Шульженко)
То, что СМД компоненты стремительно наступают, никого уже убеждать не приходиться. Да и не просто наступают, а на горло. Я то для себя давно уже решил, что пора стремительно переходить на поверхностный монтаж. Это и красиво, и компактно, да и дешевле теперь уже. Микросхемы в ДИП корпусах дороже чем в планарных.
А многие современные чипы так и вовсе не выпускаются в ДИП исполнении. А ведь они весьма функциональны, и на требуют много «обвязки». Сказано — сделано. Начитался в интернете статей и начал обзаводиться инструментом. Тонкие припои, жидкие флюсы, тоненькие пинцетики, линзы, держалки, ну и т.д. И конечно же паяльная станция. Не есть дешевая агрегатина.
Решил сначало попаять обычным маленьким паяльником, только регулятор сделал простой. При определенной сноровке и прямых руках пайка получается весьма даже неплохо. Это запаивать получается неплохо, а вот выпаивать совсем даже наоборот. Начинается шаманство. Нитки, насадки, утюги, духовки, промышленные фены….. Способов немало. Как говорится: голь на выдумки хитра.
Сначало с этими неудобствами миришься, чертыхаясь, потом раздражаешься, потом материшься и звереешь (когда поотламываешь выводы так нужной тебе сейчас деталюшки). Помаялся, собрал немного денюжков, и прикупил паяльник и фен от китайской паяльной станции, а сам блок управления собрал по схеме замечательного парня из Пскова. Паяю, распаиваю, получаю удовольствие от процесса.
А тут как то знакомый радиолюбитель «фокус» показал: взял прикуриватель, открутил нагревательный элемент, прикрутил к нему провода, подключил к аккумулятору автомобильному, разобрал флешку, промазал ее канифолью жидкой, прогрел её этим прикуривателем и снял немаленький многоножковый чип. А в том что он его не перегрел и не спалил я уверен абсолютно.
Канифоль после этого процесса осталась на платке чистая и прозрачная, только немного потемнела. А кипеть она начинает где то около 250 градусов. Так что по ее состоянию можно судить о степени «вандализма» по отношению в выпаиваемым деталям. Зацепил меня этот «фокус». Это то, что называется — дёшево и сердито. Вот и решил немного поэкспериментировать с прикуривателем.
Взял схему простейшего ШИМ регулятора, мощный полевик, и соорудил простое дешевое устройство с регулируемой температурой на выходе. Получился такой себе гибрид прикуривателя-паяльника. блин. Результаты меня весьма порадовали. На мой взгляд, работать с ним много приятнее чем с феном. Попробуйте и вы.
Прикуриватель найти несложно, горстка недорогих деталей, немного удовольствия от процесса изготовления, и вы убедитесь как все просто и удобно. Вот небольшой ролик, как я выпаиваю и впаиваю деталюхи.
СХЕМА: А схем я перепробовал несколько. Начал с платы ШИМ на микроконтроллере. Сразу с замутом на будущее. Планировал сделать дистанционный контроль с использованием ИК термометра и обратную связь с поддержанием температуры в рабочей зоне. Но это все в будущем. Также сделал распространенную в интернете схему ШИМ регулятора на NE555 (или же отечественная 1006ВИ1). Но удачнее всех получилась схема ШИМ регулятора на UC3843. Вот она;

Почему удачнее? Диапазон регулировки коэффициента заполнения ШИМ от 0% до 100%. Кратко принцип работы: формируемое в микросхеме пилообразное напряжение, частота которого задается R1C1 через повторитель Q1 и делитель R3 поступает на внутренний компаратор, где сравнивается с постоянным напряжением, задаваемым делителем R5 R6 R7.
Металлический корпус своими руками, самый простой способ. Инфракрасная паяльная станция
Наконец то начал сборку инфракрасной паяльной станции, ну и как пологается решил начать сборку с корпуса. Долго думал с чего можно взять корпус и как обмануть судьбу но не получилось. Комповские корпуса слишком высокие и в них куча ненужных отверствий. Електро щитовые тоже не совсем подходят. Решил собрать сам. Заказал метал алюминий 1.5мм толщиной, и уголки 15*15*1.5 5метров. И начал все это дело резать и скручивать. Конечно неожидал я таких трудозатрат, все из за отсутствия инструмента ну и конечно же навыка слюсарного дела. Но все же я это сделал.
Есть пару вопросов к знающим. 1. Как лучше закрепить керамические нагреватели в корпусе? с чего сделать огранку места реза отверствия под нагреватели?
2. Чем лучше и легче будет вырезать отверствие в верхней крышке 250х250мм?
Другие публикации от RGB
- Реболлинг в домашних условиях, ремонт плат, и все что нужно для пайки 0
- Светодиодный светильник своими руками 0
- Ламповый предусилитель с Китая на советских 6Ж1П Сборка и доработка DIY своими руками 0
- Инфракрасная паяльная станция, своими руками. 0
- BM 800 за 1500 рублей! Покупать или нет? Распаковка и обзор. Вся правда и тест. 0
3 Комментария 3
Инструмент самый обычный-эл.лобзик, шуруповерт, ушм, напильник )). Для обработки отверстий для крепления нагревателей достаточно… Я пока два тэна поставил третий тэн не пришол.Но разметку сделал для трех, для видеокарт и небольших плат достаточно.
- igorek73
- 31 января 2019, 23:07 ответил на комментарий igorek73
Каким бы не был богатым опыт специалиста, и как бы он не был уверен в себе, иногда ему нужно посоветоваться с кем-то. Общение на просторах интернет-сети уже давно стало привычным нам. Разнообразные пользователи сети – будь то профессионал или много знающий любитель – могут выставить в сеть лайфхаки (простые полезные советы на разные темы), которые могут быть с пользой применены для вашего дома.
Какие плюсы пользования ресурсами форума?
- Постоянный поток интересной информации о новых идеях построек.
- Простые и полезные советы для строительства.
- Возможность общения с интересными людьми, опытными мастерами своего дела.
- Рекомендации о выборе инструмента или материалов.
- Также приятным плюсом является отсутствие рекламы, ведь пользователи такие же потребители, как и вы сами.
Список компонентов
Для сборки печатной платы и корпуса потребуются следующие компоненты и материалы:
- BQ1. Энкодер EC12E24204A8
- C1. Конденсатор электролитический 35В, 10мкФ
- C2, C4-C9. Конденсаторы керамические X7R, 0.1мкФ, 10%, 50В
- C3. Конденсатор электролитический 10В, 47мкФ
- DD1. Микроконтроллер ATmega8A-PU в корпусе DIP-28
- DA1. CСтабилизатор L7805CV на 5В в корпусе TO-220
- DA2. Операционный усилитель LM358DT в корпусе DIP-8
- HG1. Семисегментный трехразрядный индикатор с общим катодом BC56-12GWA.Также на плате предусмотрено посадочное место под дешевый аналог.
- HL1. Любой индикаторный светодиод на ток 20мА с шагом выводов 2,54мм
- R2,R7. Резисторы 300 Ом, 0,125Вт — 2шт
- R6, R8-R20. Резисторы 1кОм, 0,125Вт — 13шт
- R3. Резистор 10кОм, 0,125Вт
- R5. Резистор 100кОм, 0,125Вт
- R1. Резистор 1МОм, 0,125Вт
- R4. Резистор подстроечный 3296W 100кОм
- VT1. Полевой транзистор IRF3205PBF в корпусе TO-220
- VT2-VT4. Транзисторы BC547BTA в корпусе TO-92 — 3шт
- XS1. Клемма на два контакта с шагом выводов 5,08мм
- Клемма на два контакта с шагом выводов 3,81мм
- Клемма на три контакта с шагом выводов 3,81мм
- Радиатор для стабилизатора FK301
- Колодка для корпуса DIP-28
- Колодка для корпуса DIP-8
- Разъем для подключения паяльника
- Выключатель питания SWR-45 B-W(13-KN1-1)
- Паяльник. О нем мы еще позже напишем
- Детали из оргстекла для корпуса (файлы для резки в конце статьи)
- Ручка энкодера. Можно купить ее, а можно напечатать на 3D-принтере. Файл для скачивания модели в конце статьи
- Винт М3х10 — 2шт
- Винт М3х14 — 4шт
- Винт М3х30 — 4шт
- Гайка М3 — 2шт
- Гайка М3 квадратная — 8шт
- Шайба М3 — 8шт
- Шайба М3 гроверная — 8шт
- Также для сборки потребуются монтажные провода, стяжки и термоусадочная трубка
Вот так выглядит комплект всех деталей:

Комплект деталей для сборки паяльной станции Simple Solder MK936
Детали для самодельного прибора
Имеющиеся в продаже инфракрасные паяльные станции отечественного и зарубежного производства представлены в продаже очень широко, но цены на них начинаются от 20 000 рублей. И при минимальной цене, это будет инструмент не самого лучшего качества.
При необходимости производства работ с BGA-корпусами в условиях стесненности в средствах выходом может стать самодельная инфракрасная паяльная станция.
Собрать ее можно из деталей инфракрасных станций, имеющихся в продаже, а также из подручных материалов и старых отслуживших свой срок приборов.
Термостол для паяльной станции можно изготовить из светильника или нагревателя с галогеновыми лампами, которые будут нагревать плату до необходимой температуры. Верхний нагреватель и придется приобрести из запасных частей, покупая их новыми или бывшими в употреблении.
Штатив для верхнего нагревательного блока можно изготовить из опоры от старой настольной лампы.
Для термостола необходимо запастись галогеновыми лампами и отражателями-рефлекторами. Их помещают в корпус, который можно изготовить самостоятельно из алюминиевого профиля и листового металла.
Кроме ламп, в корпусе необходимо предусмотреть место для крепления термопары, которая будет «снабжать» информацией о температуре ламп модуль управления.
Температура должна выдерживаться точно, чтобы платы не растрескивались от избыточного тепла и резких перепадов температуры.
Виды ИПС
По типу инфракрасного излучателя различают два вида ИПС:
- Керамические;
- Кварцевые.
Керамические
Термовоздушная паяльная станция
Примером керамической инфракрасной паяльной станции является модель Achi ir6000. Станция обладает массой достоинств. Она зарекомендовала себя как надёжное, прочное и долговечное оборудование. Рабочая температура в зоне пайки достигается в течение 10 минут. В станциях такого типа используется сплошной плоский или полый керамический излучатель.
Кварцевые
В отличие от керамического паяльника, кварцевая станция достигает максимального нагрева за 30 секунд. Кварцевые станции очень чувствительны к частым циклам включения – выключения.
Внимание! Если специфика паяльного режима требует в течение короткого периода нескольких отключений оборудования, то лучше пользоваться керамической паяльной станцией





























