Как сконструировать самодельный термофен?
Мы ориентируемся на максимальную экономию средств. Поэтому список покупаемых деталей должен стремиться к нулю.
Первая константа – это температура
Профессиональные 800 ℃ не нужны, плавить серебро и алюминий не потребуется. При работе даже с самым тугоплавким припоем самодельному фену для пайки микросхем достаточно воздушного потока 600 ℃.
Вторая величина – мощность
Для мелкой работы (удалить неисправную микросхему или припаять SMD светодиод) достаточно значения 75 Вт. Для работы с более крупными элементами (например, процессор на видеокарте или деталь с массивными контактами) потребуется 100-110 Вт.
От этого параметра зависит подбор основного элемента конструкции – нагревательной спирали. Проволоку можно взять от старой электроплиты. Этого добра хватает в любом чулане или кладовке.
Толщина материала 0,4-0,5 мм
Поскольку самодельный паяльный фен имеет компактные размеры, спираль должна хорошо держать форму. Более толстое сечение потребует большего тока. Базовое значение силы тока 4 А. В зависимости от источника питания, подбираем сопротивление.
Важно! Для таких приборов нежелательно использовать опасное напряжение. Плотно скомпонованные детали могут прикоснуться к корпусу и вызвать утечку, что приведет к поражению электротоком
Оптимальное значение напряжения 24-36 В. Меньшая величина не позволит развить мощность, а большее значение становится опасным. На примере блока питания 24 В, сопротивление спирали должно быть порядка 6 Ом.
Отмеряем нужную длину и формируем спираль на изоляторе. Подойдет керамическая трубка 4-5 мм диаметром. Проволоку можно закрутить на плоской пластине, тогда получится более качественный теплообмен. Лепестки расположатся на удалении от изолятора. На иллюстрации виден воздуховод, собранный из корпуса автомобильного прикуривателя и кусочка мебельной трубы.
Корпус собственно нагревателя выполнен из пальчиковой батарейки, или аккумулятора. Стакан достаточно прочный, главное – хорошо вычистить его от остатков электролита.
Внутрь закладывается слой стеклоткани или слюды от старого паяльника. Это предотвратит замыкание спирали о стенки корпуса.
Сопло можно выполнить из резьбовой втулки от патрона для лампы. Внутренний диаметр 4-5 мм как раз формирует необходимый поток воздуха. Втулка закрепляется на выходе из стакана корпуса. Фактически, на этом этапе самодельный фен для пайки горячим воздухом готов. Осталось настроить вентилятор и закрепить рукоятку. Можно использовать ручку от напильника или старого паяльника. Для такого размера воздуховода лучше применить нагнетатель воздуха центробежного типа. Конструкция собирается из плоского вентилятора и кусков ненужного пластика. В боковое отверстие нагнетается достаточно интенсивный поток воздуха. Питание вентилятора не имеет значения, подбираем напряжение в соответствии с общим блоком.
Конструкция крепится к воздуховоду. Фланец можно спаять самостоятельно из жести (температура в этой области небольшая), либо подобрать готовый элемент. Термофен собирается своими руками из чего угодно. Подключаем всю конструкцию к блоку питания. В зависимости от сложности источника напряжения и тока, можно организовать несколько температурных режимов с плавной регулировкой.
Откалибровать переключение несложно: выставляем регулятор в различные положения, и производим замер температуры воздуха на выходе из сопла. Для этого используется мультиметр с термодатчиком.
Паяльный фен готов, он собран своими руками буквально из мусора. Если надо более тонкое сопло (для точных работ), можно в качестве корпуса нагревателя использовать стеклянную трубку из магазина медтехники. Это закаленное стекло с острым носиком. Остальная конструкция собирается аналогичным образом.
Это интересно: Паяльный жир активный и нейтральный — состав, для чего нужен, применение, как пользоваться
Самостоятельная сборка термофена
Основное назначение термофена – это пайка материалов. Такие материалы, как ПВХ пленка, линолеум, каучук, свариваются методом заполнения сварного шва расплавом присадочного жгута, что достигается потоком горячего воздуха. Расплавление жгута осуществляется путем нагрева до 350ºС. Этот способ считается основным при соединении линолеума во время укладки на пол. Термофен намного облегчает задачу изгибания пластмассовых труб, профилей, листов. Нагрев при изгибании пластика обеспечивается в границах 300-400ºС при пониженной скорости (мощности) потока воздуха. Прогрев пластика должен производиться медленно, постепенно.

Устройство нагревающего элемента термофена.
Изготовление термофена начинается с намотки спирали нагревательного элемента. Спираль навивается на стальную проволоку диаметром 5-6 мм с натягом. Ее лучше наматывать проволокой из нихрома или фехраля диаметром 0,4-0,5 мм. Длина спирали определяется из условия, что ее электрическое сопротивление должно составлять 70-90 Ом.
Спираль наматывается на трубчатую основу от паяльника (например, типа ЭПСН-100) или галогенной лампы для прожектора. Витки спирали накладываются равномерно по площади цилиндра с зазором (касание витков между собой недопустимо). Поверх уложенной спирали с усилием наматывается слой стекловолокна или закрепляется слой из асбеста. Этот слой целесообразно скрепить термостойким клеевым составом. Затем на клеевой слой надевается термоизоляционная трубка (фарфор, керамика, кварцевое стекло и т.д.). Концы спирали выводятся наружу.
Изготовленный нагревательный элемент вставляется во внутренний канал корпуса. Предварительно место его установки нужно проложить асбестом, слюдой или кварцевыми пластинами, в качестве дополнительной термоизоляции. Выводы спирали, при помощи винтового соединения, стыкуются с проводом электропитания. Этот провод должен иметь теплостойкую изоляцию – фторопласт или волокнистую изоляцию. Провод должен проходить через пусковой выключатель и реостат для регулирования тока, подающегося на спираль.
В задней части корпуса крепится нагнетатель воздуха строго соосно с каналом нагревательного элемента. Если нагнетательный элемент (компрессор) не помещается в корпус, то он может закрепляться с торца корпуса наружи. В этом случае к нему должна быть присоединена направляющая трубка для воздушного потока. Эта трубка должна подходить к нагревательному элементу внутри корпуса и располагаться соосно его каналу. От нагнетателя отводятся провода для электропитания, которые соединяются с проводом для нагревателя так, чтобы выключатель одновременно управлял электропитанием обоих элементов. Реостат регулирования потока воздуха нужно ввести в цепь провода для нагнетателя – его работа не зависит от работы нагревателя.
Провод электропитания выводится наружу снизу ручки корпуса, а кнопка (клавиша) выключателя и рычаги реостатов закрепляются в удобном месте с внешней стороны корпуса. Затем половинки корпуса совмещаются и соединяются между собой. Устанавливается концевой элемент из термоизоляционного материала в виде цилиндра или конуса. Прикручивается металлическое сопло. В конструкции целесообразно предусмотреть набор сопел с разным диаметром выходного отверстия.
Основные особенности устройства
Несмотря на разнообразие моделей фенов для пайки, все они имеют общее устройство и принцип работы. Любой фен, в том числе и бытовой для сушки волос, работает по аналогичной схеме. Разница лишь в том, что последний имеет меньшую температуру потока воздуха.
В остальном все приборы имеют практически одинаковую конструкцию, в которую входят:
- Корпус.
- Нагревательный элемент.
- Вентилятор, нагнетающий поток воздуха.
Как можно заметить, устройство паяльного фена крайне простое, что позволяет сделать его самостоятельно в домашних условиях, сократив расходы до минимума. Ведь если профессионалы, которые пользуются подобной техникой постоянно, вполне могут позволить себе купить и заводскую модель, а то и паяльную станцию, то для любителя, занимающегося радиоэлектроникой изредка, лучше будет немного сэкономить. Изготовленный своими руками фен для пайки будет наилучшей альтернативой.
Создавая такую конструкцию, стоит учитывать, что температура выходящего воздуха может достигать 850 градусов Цельсия, это значительно более высокие показатели, чем у фена для сушки волос. Поэтому необходимо понимать, что корпус и ручка устройства должны быть термостойкими и обладать низкой теплопроводностью, чтобы избежать повреждения руки при использовании. Можно сделать и стационарную модификацию, но этот вариант менее удобный, ведь в таком случае придётся подносить непосредственно саму плату к аппарату, что не всегда практично.
Самой большой проблемой при создании самодельного паяльного фена своими руками является именно нагревающий элемент, так как извлечь его из какой-либо аналогичной вещи не получится. Поэтому придётся сделать этот элемент самостоятельно. Для этого необходимо взять нихромовую проволоку сечением от 0,4 до 0,8 мм и смотать в спираль с диаметром кольца от 4 до 8 мм. Полученную спираль следует намотать на термостойкий материал. Лучше всего для этого подойдёт кварцевая или фарфоровая трубка, к примеру, корпус от резистора, деталь галогенной прожекторной лампы или от старого фена.
Не стоит забывать и про безопасность. Так как фен для пайки работает от электричества, следовательно, придётся подумать и о безопасном источнике питания. Безусловно, создаваемый фен-паяльник можно запитать и от розетки напряжением 220 В, однако умельцы рекомендуют использовать источники напряжением 24—36 В, что более безопасно, особенно если в результате эксплуатации возникнет утечка на корпус. Оптимальным вариантом станет блок питания на 24 В.
Критерии выбора
При наличии денежных средств прибор для паяния можно приобрести в специальной торговой точке, благо предлагаемый ассортимент поразит наличием разнообразных моделей с различным набором возможностей. Такое оборудование производится многими известными фирмами, которым и следует отдать предпочтение.
Прежде чем купить фен, необходимо определить требования к нему, надобные для использования, и ориентироваться на них при оценке модификаций, имеющихся в продаже:
В первую очередь — это рабочий температурный диапазон, который сможет выдать аппарат. Это основная характеристика нагревательного элемента, определяющая круг материалов, с которым фен сможет работать.
Если термостойкость оболочки фена не соответствует заявленной температуре, это приведёт к его разрушению и выходу прибора из строя. Значит, материалы, из которых изготовлен аппарат, необходимо выбирать особенно тщательно.
Качественно изготовленное устройство для пайки должно гарантировать равномерный обдув, который поступает на обрабатываемую поверхность
Поэтому качество устройства подачи воздуха и количество оборотов, им выдаваемое, также важно.
Термофен должен иметь надёжную изоляцию, отвечающую требованиям безопасности.
Необходимо наличие теплового электрического реле, которое позволит варьировать температуру выдуваемого воздуха. Это даст возможность осуществлять пайку широкого спектра материалов.
В комплектации готового изделия должна быть насадка, или несколько штук, для обработки поверхностей различной толщины и рельефа.
Ну и о мощности прибора тоже забывать не следует.
Все эти требования обязаны быть нацеленными на долгую, безопасную, качественную эксплуатацию фена.
Мелкие подробности

Заглянем под вентилятор, чтобы увидеть, как спираль подключена к кабелю. Конструкция получилась весьма ремонтопригодной. Достаточно открутить всего несколько винтов, чтобы заменить спираль, например, для того чтобы подогнать сопротивление спирали под напряжение уже имеющегося источника питания.

К кабелю нагревателя я припаял лепестки, но можно было свернуть концы проводников в колечки и залудить их, точно так же, как мы это делаем, когда меняем разборную сетевую вилку.

Большинство операций, которые я намереваюсь производить с помощью паяльного фена, требуют обеих свободных рук. Поэтому, я изготовил вот такую подставочку для фиксации фена на столе. Хомутик с незамкнутым периметром позволяет надёжно удерживать фен, а при необходимости легко изъять его из подставки.

Вот такой паяльный фен получился.
Паяльный фен из автоприкуривателя
Если у вас не осталось других вариантов, то изготовить своими руками паяльный фен можно и из автомобильного прикуривателя.
Чтобы превратить его в устройство для пайки, понадобится приварить к нему удобную ручку и подать напряжение 12−14 В, которое можно получить из бортовой сети автомобиля.
При использовании такого самодельного фена рабочая поверхность будет нагреваться за счёт тепла, создаваемого инфракрасным излучением.
Фактически это приспособление даже феном для пайки считать некорректно. Это, скорее, паяльная мини-станция.
Этим феном вы сможете нагревать необходимые участки на печатной плате, а также паять расположенные на ней элементы. Но не ждите, что температура пайки при использовании такого фена будет оставаться стабильной. Температуру придется подбирать опытным путем, а зависеть она будет от расстояния между прикуривателем и областью пайки.
Ещё один недостаток такого самодельного паяльного фена — он будет нагревать не только нуждающиеся в пайке элементы, но и расположенные вблизи них участки. Поэтому работу таким феном обязательно осуществляют с использованием экранов. Плюсом такого приспособления является то, что вам придется вносить минимум изменений в конструкцию инструмента и понести мало расходов. Конечно, результат первой пайки вас может не удовлетворить, однако с опытом вы наверняка с этим справитесь и научитесь правильно использовать дополнительные экраны и не допускать перегрева микросхемы.
Выход из строя бытовой техники — неприятное событие, которое вынуждает владельцев обращаться в сервисные центры по ремонту, платя за их услуги немалую сумму денег. Но у кого-то может возникнуть желание научиться самому устранять мелкие неисправности. К сожалению, такой возможностью могут воспользоваться не все из-за отсутствия специального дорогостоящего оборудования.
Однако в действительности изготовить оборудование для пайки можно самостоятельно. Для этого можно использовать в качестве основы фен для волос, строительный фен или обычный паяльник. И не стоит пугаться трудностей, которые могут возникнуть во время превращения одного из вышеперечисленных устройств в прибор для пайки.
В сети имеется много схем, из которых можно понять, как даже без отсутствия специальных знаний изготовить из обычного прибора оборудование для пайки. Нужно только внимательно изучить все тонкости процесса и повторить его, после чего вам уже не понадобится при возникновении новой поломки бытовой техники обращаться в сервисные центры.
Самостоятельный ремонт промышленных образцов
Перед ремонтом паяльного фена, прежде всего, необходимо ознакомиться со схемой подключения вентилятора и нагревателя к электрической сети (другое её название – распиновка).
Знание этой схемы позволяет проверить правильность подводки питания к каждому из основных элементов теплового модуля и убедиться в их исправности.
Непосредственно ремонт неработающего паяльного устройства сводится к замене вышедших из строя или повреждённых частей, обнаружить которые можно по наличию характерных следов гари.
В противном случае оператор рискует получить опасные ожоги кожи горячим воздухом. Менять пластмассовые насадки допускается лишь после полного выключения паяльного фена и остывания всех его рабочих частей.
Радиомастера и любители часто встречаются с разными поломками радиотехники. Для ремонта может использоваться обычный паяльник с медным наконечником, но с продвижением технологий, в некоторых приборах устанавливаются очень маленькие детали. Обычным паяльником с такими приборами работать неудобно или совсем невозможно, к примеру, SMD элементы необходимо припаивать посредством разогрева общей зоны пайки. Для проведения таких процессов существуют различные паяльные станции и фены.
Принцип работы
Принцип работы типовой достаточно прост и заключается в следующем.
Разогнанный посредством вентилятора или компрессора воздух нагнетается в специальный канал, выполненный в виде трубки с электрической спиралью. Проходя по этому каналу, поток нагревается до требуемой температуры (от 100 до 800 градусов) и сразу же поступает в пластмассовую калиброванную насадку, направляющую горячую струю на обрабатываемую деталь.
В большинстве промышленных моделей паяльных фенов основные параметры нагретой струи (её температура, направление движения, а также мощность) могут регулироваться в определённых пределах.
Рекомендации по изготовлению
Без переделки устройство фена для просушивания волос не принесет успехов при эксплуатации, поэтому рекомендуется использовать только мотор с вентилятором и спираль, которая будет наматываться с учетом требований к самодельному приспособлению. Сильный нагрев совместно со снижением вращения вентилятора и уменьшением диаметра сопла приводит к перегоранию спирали и расплавлению пластикового корпуса, а также, при плохой изоляции может произойти короткое замыкание.
Установив дополнительную кнопку включения для вентилятора, можно ускорить процесс остывания паяльника. Если выключить нагревательный элемент, а кулер оставить включенным, то нагревающаяся часть устройства будет продуваться воздухом, тем самым охлаждая всю систему. Для удобства в работе с устройством рекомендуется изготовить подставку с металлическим основанием, а также с использованием магнитов. Благодаря использованию неодимового магнита, термофен будет надежно удерживаться в нужном положении.
- 5
- 4
- 3
- 2
- 1
Особенности фенов для пайки
Фен для пайки применяется в работе с легкоплавкими сплавами и металлами. Кроме того, его часто применяют для удаления лакокрасочных покрытий с поверхности старых деталей и при их нагревании. Температура воздуха, выходящего из сопла фена достигает 800 °С. Регулируется она с помощью специального реле, но кроме этого, температура зависит от используемого напряжения, вентилятора и расстояния до нагреваемого предмета.

Работа паяльным феном
Насадка изготавливается из термостойких материалов и имеет определенную конструкцию, удобную для использования в одной руке, если это не стационарный паяльный фен.
Схема и электроника фена
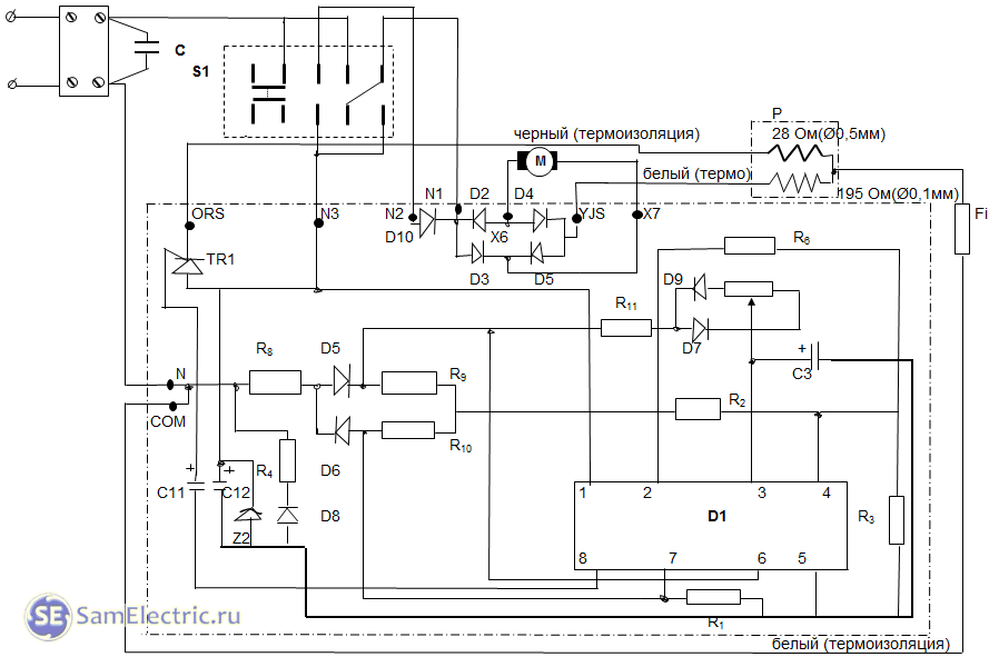
Сначала рассмотрим схему фена на плате DB3011. Ниже приведена фотография в разобранном виде:

Плата DB3011, DB3013
Схема электрическая соединений:

Фен Интерскол ФЭ-2000. Плата DB3011. Схема соединений
На схеме:
- С1 – 0,22 мкФ х 275V (для подавления помех)
- R1 – 27…28 Ом – низкоомный (мощный) нагревательный элемент
- R2 – 180…195 Ом – высокоомный нагревательный элемент (спираль)
- F – термопредохранитель (Lebao RVD-135 250V 10A TF=135°C)
- M – двигатель, 18 VDC
- Переключатель – на 4 положения, Defond DSE-2410
Схема самой платы DB3011:
![]()
Фен Интерскол ФЭ-2000. Плата DB3011. Схема соединений и схема платы (вариант 1)

Схема платы DB3011. Вариант 2
Особенности и предназначение
Для разогрева металлических отводов и специального паяльного вещества необходимо специальное оборудование, которым и является паяльный фен. Устройство способно очень быстро разогреваться до нужной температуры даже с учетом простой конструкции. Благодаря простому строению, с аппаратом может работать и начинающий электрик и профессионал. Для упрощения работы с мелкими деталями применяют также дополнительное оборудование совместно с фенами, но так как цена приборов немалая, то лучшим вариантом будет паяльная станция с феном своими руками. Это оборудование позволит справиться с большинством сложных задач без особых усилий.
По конструкции аппарат устроен так же, как и строительный фен, но обладает меньшей мощностью и более компактными насадками. Чаще всего в комплекте паяльной станции имеется обычный паяльник и термофен. При этом приборы оснащаются регуляторами температурного режима.
Для профессиональной мастерской термофен проще купить, так как он быстро оправдает свою стоимость, и пользоваться таким оборудованием будет удобнее. А если микросхемы необходимо припаивать в домашних условиях и не каждый день, то для этого подойдет самодельная термовоздушная паяльная станция своими руками.
Отличие паяльных фенов
Очень часто радиолюбители задумываются о том, как сделать паяльный фен своими руками, но перед началом сборки необходимо знать принципы и отличия паяльной станции и самого паяльника. Схема устройства состоит из основной и дополнительной части. Основной частью является блок, к которому подключаются паяльники. В зависимости от способа подачи воздуха станции бывают двух видов:
- Турбинная — воздушный поток формируется благодаря встроенному кулеру в термофене.
- Компрессорная — поток воздуха формируется посредством компрессора, установленного в главном корпусе станции.
При покупке паяльной станции такие особенности имеют большое значение, так как компрессорными создается сильный воздушный поток, и они могут использоваться для работы в труднодоступных местах даже с узкими насадками, а турбинные не способны продавить воздух с необходимой мощностью через узкое отверстие насадок.
https://youtube.com/watch?v=3zE-HDdz2Xs
Работа устройства заключается в нагревании керамического или спиралеподобного элемента, который установлен в термофене, и нагревании воздуха, проходящего через этот элемент. Паяльный термофен может нагревать воздух до температуры в пределах 100—180 градусов, а в современных моделях имеется возможность регулировки температурного порога.
По сравнению с инфракрасными аналогами, термовоздушные станции имеют такие недостатки:
- Поток воздуха сдувает мелкие детали.
- Неравномерный прогрев поверхности.
- Изменение насадок для разного типа работ.
Однако для любителей, такие недостатки несущественны по сравнении с преимуществом в цене.
Термовоздушный паяльник для станции можно изготовить в домашних условиях из обычного бытового фена. При этом по техническим характеристикам он не будет уступать заводскому аналогу. Основными характеристиками такого паяльника являются:
- Диаметр наконечника;
- Мощность;
- Производительность турбины;
- Максимальный температурный порог.
Такие параметры напрямую влияют на качество и производительность работы устройства, поэтому при сборке к ним необходимо относиться очень внимательно.
https://youtube.com/watch?v=KVvm4V3dIMg
Особенности конструкции термофена
С помощью паяльного устройства можно плавить пластиковые детали и метал, который имеет небольшую температуру плавления. Специальная спираль из нихрома разогревает воздух, после этого горячий воздух подается в нужную точку. При конструировании самодельного аппарата необходимо руководствоваться главным параметром — температура нагрева воздуха. В профессиональных устройствах параметр достигает 800 градусов, но если плавка серебра или алюминия не потребуется, то самодельный термофен можно изготовить с температурным порогом до 600℃.
При сборке устройства в домашних условиях также необходимо ориентироваться на экономию средств, а для этого нужно найти детали для сборки. В конструкцию оборудования входят:
- Корпус;
- Нагревательная часть;
- Устройство, посредством которого будет подаваться воздух;
- Держатель;
- Кнопка включения.
Для улучшения прибора можно заранее предусматривать использование датчика и регулятора температуры, а также установку разных насадок.
Простейшая установка от прикуривателя

Прикуриватель, который управляется 12 вольтами автомобильного аккумулятора, способен создавать температуры, позволяющие паять BGA-контроллеры и различные SMD. Множество конструкторов считают, что такая станция дает кольцо нагрева (так называемое «колечко»), которое будет повторять проекцию нагревателя. Однако тест на бумаге показал абсолютно равномерный нагрев, без колец. Это означает, что доработка прикуривателя имеет смысл.
При тесте было видно, что цвет бумаги равномерно окрашивает лист от центра в сторону краев. Чистый инфракрасный прогрев плюс конвекция без каких-либо поддувов – и прикуриватель превращается в отличное паяльное устройство.

Паяльные станции из прикуривателя, по сравнению с паяльными термофенами, тихие, не дают никаких струй и отдач, пайка происходит спокойно. Десяти вольт переменного тока, которые подаются от подходящего трансформатора, оказывается вполне достаточно для того, чтобы на расстоянии 1-1,5 см снять с материнской платы 100-разъемный процессор.
Второй контакт спирали необходимо выводить в трубку корпуса и фиксировать высокотемпературным герметиком. При конструкции потребуется пайка латунью. Ее можно выполнить при помощи бензиновой горелки, полосы латуни и буры. Дистанция, при которой осуществляется спаивание, достигает максимально 1,5 см. Данная конструкция зарекомендовала себя очень хорошо.
Если придумать ручку, корпус и держатель, а это довольно несложно, учитывая корпус прикуривателя, то данное устройство будет в разы лучше, чем обычный паяльник китайского производства.
На базе кулера
Сделать фен своими руками в домашних условиях проще всего, если воспользоваться турбинным принципом нагнетания воздуха, реализуемым с помощью любого подходящего для этих целей малогабаритного вентилятора.

Фен для пайки может быть изготовлен своими руками на базе кулера, которым комплектуется блок питания любого стационарного компьютера.
При этом вентилятор встраивается в ручку термического элемента из огнеупорной трубки с электрической спиралью, проходя по которой воздух будет нагреваться, а затем поступать в зону пайки.
Наружную часть корпуса паяльного фена необходимо сделать герметичной, что исключает возможность отсоса воздуха в окружающее пространство. Для сборки нагревателя потребуется нихромовая проволока, наматываемая в виде спирали на керамическую трубку.

Общая длина обмотки выбирается из того расчёта, чтобы сопротивление всего проводного отрезка составляло около 70-90 Ом.
Отдельные витки спирали, наматываемой на керамическое основание, должны располагаться на некотором удалении один от другого. Для безопасной работы нагревателя это удаление должно составлять порядка 1-2 мм.
О температуре нагревателя и выборе материала для его корпуса

Рабочая температура нихромовой спирали не должна превышать 1000°С. Температуру раскалённой спирали можно приблизительно определить по её цвету. В таблице указана температура в градусах Цельсия.
| Металл | Температура °С |
| Алюминий | 660 |
| Дюраль | 650 |
| Латунь | 1000 |
| Медь | 1080 |
| Никель | 1450 |
| Нихром | 1550 |
| Сталь | 1300 |
В этой таблице приведены значения температуры плавления некоторых металлов.
Как видите, для изготовления корпуса нагревателя лучше всего подойдут медь, латунь или сталь. Но, медь и латунь быстро окисляются при высоких температурах. Поэтому лучше выбрать сталь или никелированную сталь.
Если у вас в распоряжении имеются неисправные литий-ионные аккумуляторы, то вы можете изготовить трубку из корпуса одной из банок. Корпуса банок любых литий-ионных аккумуляторов и литий-ионных батареек изготовлены из нержавеющей стали.
На картинке разобранная батарея от ноутбука. Диаметр корпуса банки 16мм, длина – 65мм. О том, как разобрать ноутубучную батарею рассказано и показано здесь>>>
А на этой фотографии представлен разобранный аккумулятор «EN-EL1» от фотокамер Nikon. Диаметр банки 14мм, длина – 48мм.
Внимание!
Содержимое банок литий-ионных аккумуляторов и литий-ионных батареек крайне токсично! Поэтому, разборку банок нужно производить на открытом воздухе, а извлечённые продукты закупорить в надёжную тару и сдать в пункт утилизации батареек. Такие пункты обычно имеются в крупных супермаркетах и специализированных магазинах.
Порядок выполнения работ

Сборочный чертёж паяльного фена.
В идеале нужно иметь старый паяльный фен и подвергнуть его ремонту, заменив изношенные детали. Главное в этом устройстве – его корпус с низкой теплопроводностью. Но и из обычного паяльника вполне можно изготовить паяльный фен. Сначала необходимо разобрать паяльник, удалив его жало. В корпус необходимо будет разместить нагревательный элемент.
Его можно изготовить из нихромовой нити и галогеновой лампы. Дело в том, что стекло на такой лампе выдерживает огромные температуры. При этом, чем выше мощность лампы, тем прочнее и надежнее стекло. Потребуется только корпус от лампы. Остальные части можно срезать болгаркой или специальной пилкой или сточить на алмазном круге от болгарки. Внутрь полученного стеклянного корпуса нужно поместить спираль из тугоплавкого материала. Нихром является лучшим из них, причем работает он в обычных условиях и не требует наличия среды из инертных газов.
Над спиралью потребуется поработать. Отдаваемое тепло зависит от площади поверхности, поэтому спираль не должна быть толстой. Тонкий же провод быстро перегорит, если он имеет малую длину. Рекомендуем поступить по принципу, который использовался при изготовлении ламп накаливания: спираль изготавливается из нихромовой нити. Длина будет обеспечена достаточная, но чтобы не рисковать, лучше сразу просчитать все параметры спирали в зависимости от имеющегося компрессора и параметров тока.
Собираем воздушный паяльник из обычного
Возникает вопрос: зачем? Ответ в начале статьи: обычным жалом невозможно работать с элементами SMD конструкции. Поэтому жертвуем одним электроприбором, и собираем паяльный фен из паяльника.
Сразу оговорим особенности: конструкция простейшая, собирается без применения сложных узлов, производительность будет не такой выдающейся. Термофен из паяльника нагревает воздух не выше 300 ℃.
Для изготовления нам понадобятся два основных компонента:
- Собственно, паяльник мощностью 40 Вт с деревянной рукоятью и стандартным нагревательным элементом (который просто удаляется).
- Любой источник сжатого воздуха. Например, компрессор для аквариума.

Модернизируем паяльник
Нагревательный элемент не трогаем, просто извлекаем жало. Внутри остается свободный проход для воздуха. Провод питания выводим в боковую стенку, а в задний торец рукояти вклеиваем втулку для подачи воздуха. Место ввода электрокабеля герметизируем.

Отверстия в металлическом корпусе паяльника обматываем фольгой, усиливаем теплоемкость медной проволокой. Металлическую трубку плотно загоняем в рукоять. Вместо жала загоняем в отверстие стальную трубку подходящего диаметра.

Принцип работы паяльного фена, сделанного своими руками, следующий
Нагревательный элемент работает в штатном режиме, горячий воздух собирается в камере, «утепленной» с помощью медной проволоки и фольги. Поступающий от компрессора воздух выталкивает воздух через установленную стальную трубку.
Температура паяльника не регулируется, можно лишь менять интенсивность обдува, пережимая подающую трубку. Меньше скорость потока – выше температура на выходе. Подобрав параметры продувки, можно достичь температуры плавления припоя.

Фен из паяльника, сделанный своими руками, не заменит паяльную станцию, но поможет вам в работе с мелкими радиодеталями.
Мини паяльная станция с большими возможностями
Еще один полноценный термофен собран из баночки от таблеток.

Механическая часть конструкции довольно примитивна: алюминиевая трубка от старого конденсатора со спиралью внутри и воздуховод с вентилятором.

Рукоять не нужна, устройство очень компактное. Изюминка в блоке питания на контроллере, с помощью которого можно устанавливать необходимую температуру.

В итоге получаем фактически промышленный аппарат. После калибровки индикаторов температуры, можно выполнять работы с любым типом радиодеталей, не беспокоясь об их сохранности.

Итог: Современную паяльную станцию можно собрать практически бесплатно, при этом качество работы не уступает заводским образцам.






























