Инвертор от устройства для сварки.
Формирование электромагнитного поля за пределами индуктора требует мощной катушки с большим количеством витков, да и согнуть трубу тоже дело не из лёгких. Поэтому мастера рекомендуют сделать из трубы подобие сердечника, поместив её в индукционную катушку. Вообще, корпус устройства задумывался металлическим, но, в силу малых размеров индуктора, трубу заменяют на полимерную с металлической проволокой внутри. После сбора необходимых деталей можно приступить к изготовлению индукционного котла по приведённой ниже схеме
Нужно обратить внимание на последовательность шагов, так как от соблюдения этапов зависит результат
Сначала нужно закрепить металлическую сетку на один из концов полимерной трубы, чтобы нагревательные кусочки проволоки не проваливались во время эксплуатации.
С этого же конца трубы закрепляется переходник для дальнейшего соединения с отоплением.
Далее нужно нарезать проволоку, используя кусачки. Длина кусочков варьируется от 1 до 6 см. Потом эти кусочки нужно максимально плотно уложить в трубу так, чтобы в ней не оставалось свободного пространства.
Второй конец трубы проходит те же 2 начальных этапа: установка металлической сетки и переходника. Далее начинается этап изготовления индуктора: нужно намотать медную проволоку, при этом норма витков составляет 80-90 штук. К полюсам инвертора нужно подключить концы медной проволоки.
Нужно монтировать в систему отопления циркуляционный насос (если он отсутствовал). И, наконец, подключается терморегулятор. Он обеспечивает автоматизированную работу нагревателя.
Индуктор начинает создавать электромагнитное поле после запуска инвертора. Появляются вихревые потоки, нагревающие проволоку внутри трубы, и как итог – весь теплоноситель.
Так, создание индукционного нагревателя на базе сварочного инвертора довольно несложное дело. Тем более, у данного типа обогревания есть множество плюсов, которые вытекают в эффективность, долговечность оборудования и низкие финансовые затраты
Однако нужно помнить о мерах предосторожности, чтобы не пришлось переделывать всю работу заново, подбирать качественные детали и сохранять поэтапность сборки нагревателя
Заботясь об уюте и комфорте своего жилища, каждый владелец загородного дома или коттеджа задумывается о том, как правильно подойти к выбору оптимальной отопительной системы.
Современный рынок отопительного оборудования весьма насыщен всевозможными видами котлоагрегатов. Многие эксперты сегодня советуют выполнять монтаж газового котла, так как он является эффективным способом обогрева жилища.
В таком утверждении, конечно, никто не сомневается, но что делать в том случае, когда строение расположено далеко от газовых магистралей? В таком случае, оптимальным выходом будет установка электрического оборудования для обогрева дома.
Чтобы опередить скептиков, которые читая эти строки, задумываются о постоянном подорожании электроэнергии, мы предлагаем рассмотреть такой вид электрического обогрева помещения, как индукционное отопление. Поэтому, в нашей статье мы подробно остановимся на описании вихревого индукционного нагревателя, который без особых усилий можно выполнить своими руками, применяя при этом сварочный инвертор.
Инструкция по изготовлению индукционного нагревателя
Чтобы осуществить переделку сварочного оборудования в индукционную печь, необходимо подготовить расходные детали и инструменты
Также важно подготовить чертежи и придерживаться инструкции по сборке
Простое изделие на основе сварочного инвертора
Для изготовления простого, но эффективного нагревателя, можно использовать сварочный инвертор. Процесс изготовления достаточно простой:
- Для начала нужно взять толстостенную полимерную трубку.
- С торцевой части трубы стоит установить разводку и 2 вентиля, а внутрь засыпать куски стальной проволоки небольшого диаметра и размера (5 мм).
- Закрепить верхний вентиль.
- Выполнить 90 витков медной проволокой для сборки индуктора.
В качестве генератора используется сварочный аппарат, а роль нагревателя играет трубка с проволокой. Аппарат устанавливается в режим переменного тока с повышенной частотой.
В процессе нагрева происходит излучение магнитного поля и прогревание проволоки вихревыми потоками. Это вызывает закипание жидкости.
Экспериментальная модель нагревателя мощностью 1600 Вт
Для сборки экспериментального оборудования мощностью 1,6 кВт потребуется подготовить металлическую трубу с толстыми стенками. Поскольку катушка без особых сложностей сможет прогреть любой материал, можно усовершенствовать нагреватель.
Корпус можно изготовить из пластиковой трубы, которая обладает большим диаметром, чем элемент системы отопления. Оптимальная длина изделия составляет 1 м, а внутреннее сечение – 50-80 мм.
Чтобы подключить нагреватель к оборудованию, потребуется закрепить переходники сверху и снизу корпуса. Нижняя секция закрывается решеткой, а затем внутрь корпуса помещают наполнитель из небольших металлических частиц.
Для обмотки подходит медный провод с изоляцией сечением 1-1,5 мм. Использование более толстой проволоки неоправданно, поскольку это усложнит плотное расположение витков.
Печь для нагрева металла
Из-за повышенной пожарной безопасности метод индукции применяется в металлургии. Собрать нагреватель для обработки металлических заготовок можно из подручных средств. Для предстоящих работ потребуется подготовить:
- 12-вольтный аккумулятор.
- Медную обмоточную проволоку.
- Пленочные конденсаторы.
- Транзисторы и диоды.
- Кольца блока питания от персонального компьютера.
Индукционная печь из сварочного инвертора.
Последующая сборка производится по такой инструкции:
На радиаторы охлаждения устанавливаются транзисторы. Во время использования прибор интенсивно нагревается, поэтому лучше подготовить крупные радиаторы.
Изготавливаются дроссели. Для их сборки применяют медную проволоку и кольца блока питания ПК
Важно следить, чтобы межвитковое расстояние оставалось идентичным на каждом отрезке.
Собирается конденсаторная батарея. Емкость элемента питания должна составлять 4,7 мкФ.
Изготавливается обмотка
Диаметр медной проволоки должен составлять 2 мм. Потребуется выполнить 8 витков, чтобы во внутреннем пространстве поместились все обрабатываемые детали.
На последнем этапе подключается аккумулятор. Ток регулируется во время изготовления печи. Для этого достаточно поменять количество витков.
Кроме того, следует предусмотреть систему отвода тепла и вентиляции, т.к. во время работы печь сильно нагревается.
Нагреватель для воды
Использование такого агрегата в частном доме позволит организовать бесперебойную подачу ГВС или обогрев помещения. Система расходует много электрической энергии, но обладает простой схемой сборки и отсутствием сложностей в обслуживании. Предстоящая сборка начинается с подготовки:
- Сварочного инвертора.
- Теплоизолятора (подойдет керамзит).
- Проволоки из меди и стали.
- Отрезка пластиковой трубы с толстыми стенками.
- Трубок разного диаметра.
На первом этапе начинается изготовление котла. Его можно соорудить из 2 трубок разного сечения, которые вставляются друг в друга с выдерживанием зазора 20-25 мм.
Дальше производится приваривание концов колец и подсоединение к общей системе отопления. Во внешнюю стенку нужно вварить выходную и входную трубки.
Затем изготавливается обмотка, которая в точности повторяет форму котла. Всего нужно выполнить 35-40 витков, соблюдая равное межвитковое расстояние.
На последнем этапе собирается защитный корпус, который делается из диэлектрического материала, и подключается инверторный аппарат и теплоноситель.
Правильно собранная конструкция сможет прослужить в течение 20-25 лет без ремонта и замены расходных деталей.
Несколько полезных советов по безопасности
Чтобы повысить безопасность конструкции, советуется выполнить изоляцию открытых участков медной катушки.
Индукционный нагреватель рекомендован только для закрытых систем отопления, в которых осуществляется принудительная циркуляция теплоносителя с помощью насоса.
Следует размещать систему индукционного нагрева на расстоянии не менее 30 см от стен и мебели и не менее 80 см — от потолка или пола.
Чтобы сделать работу устройства более безопасной, рекомендуется оснастить его манометром, а также системой автоматического управления и приспособлениями для отвода попавшего в систему воздуха.
Преимущества
К основным достоинствам нагревателя этого вида смело можно отнести следующие важные моменты:
- высокий коэффициент полезного действия;
- не требует частого технического ухода;
- благодаря вибрациям электромагнитного поля, не образуется накипь;
- бесшумность работы;
- высокий уровень безопасности;
- герметичность агрегата препятствует появлению протечек;
- функционирование нагревателя полностью автоматизировано.
Основным недостатком нагревателя этого вида по праву считают его высокую стоимость. Но этот недостаток вполне можно исправить, если его конструкцию выполнить самому.
Стоит также отметить, что сборка индукционного нагревателя своими руками осуществляется из весьма доступных деталей, при этом, их стоимость не слишком высокая.
Индукционный генератор тепла в системе отопления
У применяемых в отопительных контурах индукционных водонагревателей имеются как общие для всех электронагревателей достоинства, так и присущие только им. Начнем с первой группы:
- По удобству использования электронагреватели опережают даже газовое оборудование, так как обходятся без розжига. К тому же они являются намного более безопасными: владельцу можно не опасаться утечки топлива или продуктов его сгорания.
- Электрооборудованию не нужны дымоход и обслуживание в виде удаления нагара и копоти.
- КПД электронагревателя не зависит от его мощности. Его можно установить на самый минимум, и при этом КПД агрегата останется на уровне 99%, в то время как КПД газового или твердотопливного котла в таких условиях окажется значительно ниже паспортного.
- При наличии электрического теплогенератора система отопления может работать в самом низкотемпературном режиме, что весьма актуально в периоды межсезонья. В случае применения газового или твердотопливного котла падение температуры «обратки» ниже 50 градусов не допускается, так как при этом на теплообменнике образуется конденсат (при использовании твердого топлива он содержит кислоту).
- Ну и последнее: при использовании электрообогрева можно обойтись без жидкостного теплоносителя, правда, к индукционным нагревателям это не относится.

Простой индукционный нагреватель
Перейдем к достоинствам непосредственно «индукционников»:
- Площадь контакта теплоносителя с горячей поверхностью в индукционных нагревателях в тысячи раз больше, чем в приборах с трубчатыми электронагревателями. Поэтому среда прогревается гораздо быстрее.
- Все элементы «индукционника» монтируются только снаружи, без каких-либо врезок. Соответственно, и протечки полностью исключаются.
- Поскольку нагрев осуществляется бесконтактным способом, нагреватель индукционного типа может работать с абсолютно любым теплоносителем, включая все виды антифризов (для ТЭНового электрокотла понадобился бы специальный). При этом вода может содержать сравнительно большое количество солей жесткости – переменное магнитное поле препятствует образованию накипи на стенках теплообменника.
На всякую бочку меда, как известно, найдется своя ложка дегтя. Здесь без этого тоже не обошлось: мало того, что сама по себе электроэнергия стоит достаточно дорого, так еще и индукционные нагреватели относятся к наиболее дорогому типу электроотопительного оборудования.
Индукционный нагреватель: достоинства и недостатки
У индукционных электронагревателей имеются следующие сильные стороны:
| Вихревые токи помимо тепла генерируют еще и вибрацию, которая препятствует оседанию накипи на стенках нагревательного элемента. Вследствие этого индукционные котлы не требуют очистки. | |
| Нагревательный элемент такого котла представляет собой обычную трубу, которая разогревается вихревыми токами. В условиях перманентной циркуляции теплоносителя по трубе, она физически не может перегореть. В отличие, например, от традиционного электрического ТЭНа. Как следствие, ремонт или замена нагревательному элементу вряд ли потребуются. | |
| Даже сделанный своими руками вихревой генератор тепла герметичен. Подогрев теплоносителя происходит внутри цельнометаллического нагревательного элемента. При этом энергия транслируется нагревателю дистанционно через электромагнитное поле. Благодаря отсутствию разъемных соединений в индукционных котлах полностью исключены протечки. | |
| Индукционный котел практически бесшумный, хотя нагревательный элемент при работе может вибрировать. Но частота таких вибраций очень далека от диапазона воспринимаемых человеческим ухом звуковых волн. | |
| Конструкция обогревателя собирается из доступных и недорогих деталей, поэтому готовый прибор имеет очень низкую себестоимость. | |
| Индукционная схема нагрева воды очень эффективна, долговечна и надежна. Она позволяет даже отказаться от установки в систему циркуляционного насоса: теплоноситель будет циркулировать по трубам под действием тепловой конвекции, нагреваясь на выходе из котла практически до парообразного состояния. |
Однако, индукционный нагреватель не лишен и недостатков:
| Электромагнитное поле увеличивает температуру не только нагревательного элемента, но и других объектов окружающего пространства, в том числе и тканей тела человека. Поэтому для собственной безопасности нужно держаться от такого устройства как можно дальше. | |
| Прибор во время работы потребляет электричество, а это достаточно дорогой источник энергии. | |
| Теплоотдача нагревателя столь высока, что всегда сохраняется риск детонации прибора вследствие перегрева теплоносителя. Снизить риск подобного развития событий можно установкой датчика давления. |
Как сделать вихревой индукционный нагреватель своими руками
Порядок сборки индукционного нагревателя такой:
| 1. Берется толстостенная полимерная труба, к торцам корой монтируются два вентиля для присоединения разводки. При этом обратка должна оказаться снизу. | |
| 2. Перед установкой верхнего вентиля в трубу засыпается рубленая металлическая проволока, которая заполняет все внутреннее пространство. Рекомендуемый диаметр проволоки — 5-6 мм, длина рубленых отрезков произвольная. | |
| 3. Вокруг трубы наматывается медная проволока (не менее 90 витков). |
Вот и все, два компонента системы готовы: это индуктор — катушка из медной проволоки, и нагревательный элемент — полимерная труба, заполненная обрезками проволоки. Дело за малым — подключить их к генератору и наслаждаться результатом.
Самый доступный и дешевый генератор для индукционного нагревателя — сварочный инвертор. Медная проволока просто соединяется с его полюсами, и котел начинает работать в режиме высокочастотного переменного тока. При этом индуктор излучает электромагнитное поле, вихревые токи раскаляют обрезки проволоки, и вода в полимерной трубе закипает буквально за секунды, давая старт тепловой циркуляции в разводке.
Безусловно, индукционный нагреватель, собранный из сварочного инвертора и полимерной трубы, заполненной обрезками проволоки, вряд ли будет работать очень эффективно. Однако даже с помощью такого нагревательного прибора можно отапливать достаточно большие площади
Учитывая, что агрегат самодельный, обращаться с ним нужно очень осторожно, строго следуя рекомендациям по безопасному использованию
Особенности эксплуатации самоделки
При благополучной сборке индукционного устройства нужно научиться правильно его использовать. Каждая система представляет опасность, т.к. не умеет автоматически регулировать интенсивность нагрева теплоносителя. Проблема решается посредством некоторых доработок, которые сводятся к монтажу и подсоединению дополнительных механизмов.
Индукционная катушка
Рабочая катушка состоит из проволоки диаметром 3.3 мм. Рекомендуется изготавливать ее из медной трубы, в которую можно интегрировать примитивный контур охлаждения. В процессе работы катушка подвергается интенсивного нагреву. Поэтому нужно собирать ее из устойчивых к температурному воздействию материалов.
Индукционная катушка должна быть из материалов, устойчивых к температурному воздействию.
Модуль резонансного конденсатора
Для сборки резонансного конденсатора, который напоминает небольшую батарею, нужно использовать 23 небольших конденсатора. Емкость детали составит 2,3 мкФ. Допускается применение конденсаторов емкостью 100 нФ.
Такие типы не предназначаются для схемы индукционного нагревателя, но они хорошо справляются со своей задачей.
Установка индукционного нагревателя
Чтобы исключить перегрев индукционного нагревателя и деформацию трубы из пластика, нужно предусмотреть термостат и подключить его к системе аварийного отключения.
Шаг 6: Сборка трансформатора



Если вы внимательно читали статью, вы зададите вопрос: а как управлять LC-контуром? Я уже рассказывал об инверторе и контуре, не упоминая, как они связаны.
Соединение осуществляется через соединительный трансформатор. Мой от Magnetics, Inc. Номер детали — ZP48613TC. Adams Magnetics также является хорошим выбором при выборе ферритовых тороидов.
Тот, что слева, имеет провод 2мм. Это хорошо, если ваш входной ток ниже 20А. Провод перегреется и сгорит, если ток больше. Для высокой мощности вам нужно купить или сделать литцендрат. Я сделал сам, сплетя 64 нити из проволоки 0.5мм. Такой провод без проблем может выдержать ток 50А.
Инвертор, который я показал вам ранее, принимает высоковольтный постоянный ток и изменяет его на переменные высокие или низкие значения. Эта переменная квадратная волна проходит черезч соединительный трансформатор через переключатели мосфета и конденсаторы связи постоянного тока на инверторе.
Медная трубка из емкостного конденсатора проходит через нее, что делает ее одновитковой вторичной обмоткой трансформатора. Это, в свою очередь, позволяет сбрасываемому напряжению проходить через конденсатор емкости и рабочую катушку (контур LC).
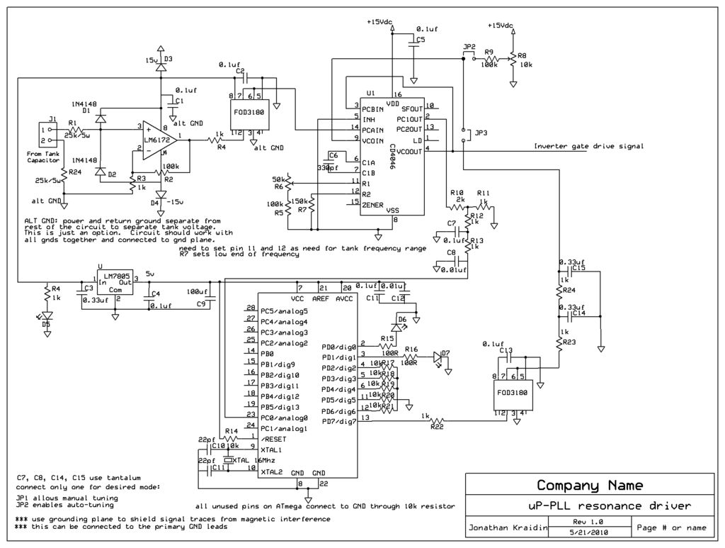
Шаг 3: Драйвер

Эта схема действительно большая. Вообще, вы можете прочитать про простой маломощный инвертор. Если вам нужна большая мощность, вам нужен соответствующий драйвер. Этот драйвер будет останавливаться на резонансной частоте самостоятельно. После того, как ваш металл расплавится, он останется заблокированным на правильной частоте без необходимости какой-либо регулировки.
Если вы когда-либо строили простой индукционный нагреватель с чипом PLL, вы, вероятно, помните процесс настройки частоты, чтобы металл нагревался. Вы наблюдали за движением волны на осциллографе и корректировали частоту синхронизации, чтобы поддерживать эту идеальную точку. Больше не придется этого делать.
В этой схеме используется микропроцессор Arduino для отслеживания разности фаз между напряжением инвертора и емкостью конденсатора. Используя эту фазу, он вычисляет правильную частоту с использованием алгоритма «C».
Сигнал емкости конденсатора находится слева от LM6172. Это высокоскоростной инвертор, который преобразует сигнал в красивую, чистую квадратную волну. Затем этот сигнал изолируется с помощью оптического изолятора FOD3180. Эти изоляторы являются ключевыми!
Далее сигнал поступает в PLL через вход PCAin. Он сравнивается с сигналом на PCBin, который управляет инвертором через VCOout. Ардуино тщательно контролирует тактовую частоту PLL, используя 1024-битный импульсно-модулированный сигнал. Двухступенчатый RC-фильтр преобразует сигнал PWM в простое аналоговое напряжение, которое входит в VCOin.
Как Ардуино знает, что делать? Магия? Догадки? Нет. Он получает информацию о разности фаз PCA и PCB от PC1out. R10 и R11 ограничивают напряжение в пределах 5 напряжений для Ардуино, а двухступенчатый RC-фильтр очищает сигнал от любого шума. Нам нужны сильные и чистые сигналы, потому что мы не хотим платить больше денег за дорогие мосфеты после того, как они взорвутся от шумных входов.
Индукционная печь на транзисторах – схема изготовления и подключения
На сегодняшний день существует несколько популярных схем изготовления индукционной печи на полевых транзисторах. Эти схемы во многом схожи со схемами бытовых сварочных инверторов, в них также используются полевые транзисторы и пленочные конденсаторы, а в качестве системы охлаждения медные или латунные радиаторы или кулер для обдува воздухом. Так что для тех кто не ищет легких путей и готов поработать паяльником схема сборки источника питания для индуктора выглядит следующим образом:
- в схеме участвуют два полевых транзистора IRFZ44V;
- два диода UF4007 или UF4001;
- резистор 470 Ом, 1 вт;
- конденсаторы разной мощности – 1 мкФ – 3 шт, 220 нФ – 4 шт, 470 нФ – 1 шт, 330 нФ – 1 шт;
- эмалевый медный провод 1,2 мм – для обмотки ферритовых колец и такие же провода диаметром 2 мм.
- В качестве дроссельных колец можно использовать ферритовые кольца от старых приемников или блоков питания компьютеров.
- В качестве радиаторов используются латунные или медные пластины большой площади и большим количеством оребрения;
- В качестве прокладочных шайб используются резиновые кольца и шайбы из тонкого текстолита или гетинакса.
Первым этапом работы выступает изготовление дросселя – на кольцо из феррита наматывается проволока диаметром 1,2 мм. Оптимальным считается намотка 7-15 витков проволоки с одинаковым расстоянием между витками.
Следующим шагом выступает сборка батареи конденсаторов – при параллельном соединении батарея должна иметь мощность 4,7 мкФ.
Сам индуктор изготавливается из медной проводи диаметром 2 мм и имеет 7-8 полных витков с концами, имеющими длину ½ витка обмотки.
После соединения всех элементов в качестве источника питания используется аккумулятор напряжением 12 вольт и емкостью 7,2а/ч. При включении схемы емкости аккумулятора должно хватить на 30-40 минут работы и при этом он будет выдавать ток силой примерно 10А.
Такое устройство можно собрать самостоятельно, правда при этом, нет гарантии, что оно выдержит непрерывный режим работы, поскольку оно лишено устройства автоматического отключения при перегреве. Именно поэтому индукционная печь из сварочного инвертора намного практичнее и проще, как в изготовлении, так и в обслуживании.
Как сделать индукционный нагреватель своими руками из сварочного инвертора?
Создать индукционный нагреватель из сварочного инвертора весьма сложно, однако возможно.
Для начала нужно обеспечить наличие электромагнитного тока. Проще всего, для его создание, будет помещение трубы в индукционную катушку. Если исходить из проводимости токов, она должна быть металлической , однако из-за небольшого теплоносителя она не сможет максимально нагреть теплоносить. Поэтому рекомендуется использовать полимерную трубу. Далее её будет необходимо наполнить обрезками металлической проволоки. Однако, если данный способ для вас затруднителен, можно использовать и катушку, однако, для лучшего результата на ней должно находиться большое количество витков в виде змеевика.
Индукционный нагреватель из сварочного инвертора
Итак, начнём создание. Для начала необходимо нарезать катанку (желательно стальную) так, что бы получились цилиндрики разных размеров от 4 до 6 мм.
Одну сторону трубы закрываем с помощью мелкоячеичной сетки. Засыпаем внутрь отрезки проволоки. После чего сетка ставится и с другой стороны.
Вокруг трубы с помощью медной проволоки делаем индукционную обмотку. Она нужна в качестве нагревателя. Примерное количество витков на обмотке должно быть около восьмидесяти пяти или девяноста пяти. Их концы должны тщательным образом изолироваться и быть подсоединены к выходу инвертора.
Вот и всё, индукционный нагреватель своими руками из сварочного инвертора готов.
Но как же он будет работать? На самом деле принцип его работы достаточно прост. Когда будет включаться сварочный аппарат, с помощью катушки, будет создаваться электромагнитное поле. Это послужит основой, которая вызовет вихревые токи. Сердечник будет нагреваться, за счёт чего и будет нагреваться идущая по трубе вода.
Индукционный нагреватель из сварочного инвертора – схема создания основана на основных законах физики, и вполне действенно работающая в домашних условиях, и требующая соблюдения правил техники безопасности.



































Вначале следует сказать о конструкции самого индуктора. Его рекомендуется сделать в виде цилиндрической катушки, намотанной в один ряд медным проводом. Витки должны быть изолированы друг от друга.

